Редуктор циліндричний 1Ц2У-160
Редуктор типу 1Ц2У-160
Редуктор 1Ц2У-160 є перетворювачем загальнопромислового призначення з циліндричним типом передачі. Основне завдання пристрою полягає у зміні параметрів числа обертів приводу і крутного моменту.
Дані пристрої забезпечують крутний момент в діапазоні передавальних чисел від 8 до 40, зі швидкістю вхідного вала не більше 1800 оборотів в хвилину. Редуктор 1Ц2У-160, ціна якого цілком доступна, встановлюють в місцях з мінімальною запиленістю і не вибухонебезпечним середовищем.
Міжосьова відстань такого перетворювача дорівнює 160 мм, а маса складає 57 кг.
Купити редуктор 1Ц2У за ціною виробника ви можете у нас на сайті просто зараз. Для цього вам потрібно лише подзвонити по телефону, вказаному на сайті, або залишити заявку on-line. Співпрацюючи з нами, ви отримуєте якісні пристрої, які прослужать вам багато років. Для оптових покупців діє система лояльних знижок. З кожним редуктором йде унікальний паспорт та гарантія на 12 місяців. Ми оперативно обробляємо замовлення й відправляємо перетворювачі по всій Україні.
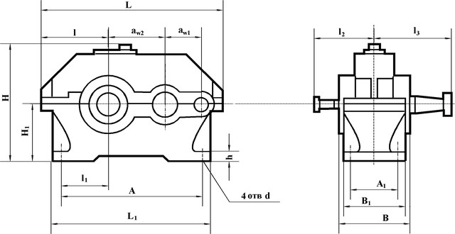
Схема габаритних і приєднувальних розмірів редуктора 1Ц2У-160

| Типорозмір | wт | wб | A | B | 1 | H | 1 | h | L | 1 | 2 | 3 | 4 | 5 | d |
| 1Ц2У-160 | 160 | 100 | 425 | 195 | 140 | 335 | 170 | 24 | 545 | 475 | 135 | 195 | 170 | 224 | 24 |
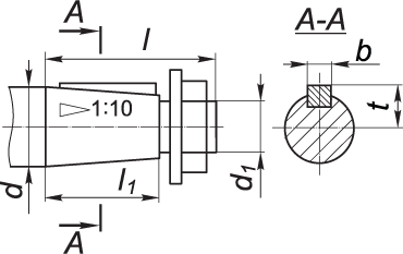
Приєднувальні розміри конічних валів редуктора 1Ц2У-160

| Типорозмір | швидкохідний | тихохідний | ||||||||||
| d | 1 | l | 1 | b | t | d | 1 | l | 1 | b | t | |
| 1Ц2У-160 | 25 | М16х1,5 | 60 | 42 | 5 | 13,45 | 55 | М36х3,0 | 110 | 82 | 14 | 28,95 |
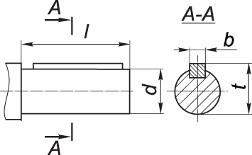
Приєднувальні розміри циліндричних валів редуктора 1Ц2У-160

| Типорозмір | швидкохідний | тихохідний | ||||||
| d | l | b | t | d | l | b | t | |
| 1Ц2У-160 | 22k6 | 42 | 6 | 24,5 | 50m6 | 105 | 14 | 53,5 |
Приєднувальні розміри у вигляді зубчастої напівмуфти редуктора 1Ц2У-160

| Типорозмір | b | d | 1 | 2 | 3 | L | l | 1 | Зачеплення | |
| m | z | |||||||||
| 1Ц2У-160 | 20 | 168 | 90 | 72F8 | 95 | 165 | 9 | 38 | 4 | 40 |
Технічні характеристики редуктора 1Ц2У-160
| Найменування технічних характеристик | Од. зм. | Типорозмір | |
| 1Ц2У-160 | |||
| Передавальні числа | 8; 10; 12,5; 16; 20; 25; 31,5; 40 | ||
| Допускається радіальна консольні навантаження | на швидкохідному валу | Н | 1000 |
| на тихохідному валу | 9000 | ||
| Номінальний обертальний момент на тихохідному валу | Н.м | 1250 | |
| ККД | % | 0,97 | |
| Маса | кг | 95 | |
Варіанти складання редукторів 1Ц2У

Редуктор цилиндрический 1Ц2У-160
Відгуків про цей товар ще не було.
Немає відгуків про цей товар, станьте першим, залиште свій відгук.
Немає питань про даний товар, станьте першим і задайте своє питання.