Редуктор циліндричний 1Ц2У-200
Редуктор типу 1Ц2У-200
Горизонтальний редуктор 1Ц2У-200 випускають із міжосьовою відстанню 200 мм і циліндричним типом передавання. Призначені пристрої для перетворення параметрів крутного моменту та числа обертів приводу.
Редуктор 1Ц2У-200, ціна на який цілком прийнятна, є практично незамінною частиною безлічі установок і механізмів у багатьох промислових сферах. За правильних умов експлуатації, перетворювачі мають тривалий термін експлуатації без поломок і перебоїв. Редуктори розраховані на роботу з різними типами навантажень з обертанням валів у будь-який бік. Окружне середовище не має бути сильно запиленим (до 10 мг/м 3) і вибухонебезпечний.
Купити редуктор 1Ц2У за ціною виробника ви можете в нас на сайті прямо зараз. Для цього вам потрібно тільки зателефонувати за номером, зазначеним на сайті, або залишити заявку on-line. Співпрацюючи з нами, ви отримуєте якісні пристрої, які слугуватимуть вам багато років. Для гуртових покупців діє система лояльних знижок. З кожним редуктором йде унікальний паспорт і гарантія на 12 місяців. Ми оперативно обробляємо замовлення та відправляємо перетворювачі всією Україною.
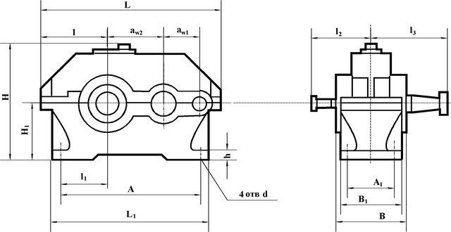
Схема габаритних і приєднувальних розмірів редуктора 1Ц2У-200

| Типорозмір | wт | wб | A | B | 1 | H | 1 | h | L | 1 | 2 | 3 | 4 | 5 | d |
| 1Ц2У-200 | 200 | 125 | 515 | 230 | 165 | 420 | 212 | 30 | 670 | 580 | 165 | 236 | 212 | 280 | 24 |
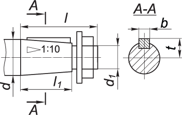
Приєднувальні розміри конічних валів редуктора 1Ц2У-200

| Типорозмір | швидкохідний | тихохідний | ||||||||||
| d | 1 | l | 1 | b | t | d | 1 | l | 1 | b | t | |
| 1Ц2У-200 | 30 | М20х1,5 | 80 | 58 | 5 | 15,55 | 70 | М48х3,0 | 140 | 105 | 18 | 36,38 |
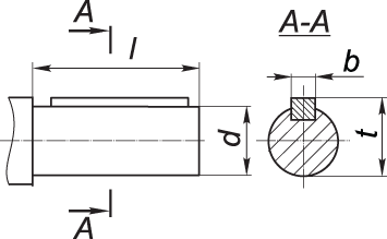
Приєднувальні розміри циліндричних валів редуктора 1Ц2У-200

| Типорозмір | швидкохідний | тихохідний | ||||||
| d | l | b | t | d | l | b | t | |
| 1Ц2У-200 | 25k6 | 58 | 8 | 28 | 65m6 | 105 | 18 | 69 |
Приєднувальні розміри у формі зубчастої півмуфти редуктора 1Ц2У-200
| Типорозмір | b | d | 1 | 2 | 3 | L | l | 1 | Зачеплення | |
| m | z | |||||||||
| 1Ц2У-200 | 25 | 210 | 100 | 80F8 | 105 | 192 | 10 | 50 | 5 | 40 |
Технічні характеристики редуктора 1Ц2У-200
| Найменування технічних характеристик | Ед. изм. | Типорозмір | |
| 1Ц2У-200 | |||
| Передатні числа | 8; 10; 12,5; 16; 20; 25; 31,5; 40 | ||
| Допускна радіальна консольне навантаження | на швидкохідному валу | Н | 2240 |
| на тихенькохідному валу | 12500 | ||
| Номінальний крутний момент на тихенькохідному валу | Н.м | 2500 | |
| ККД | % | 0,97 | |
| Маса | кг | 170 | |
Варіанти складання редукторів 1Ц2У

Редуктор цилиндрический 1Ц2У-200
Відгуків про цей товар ще не було.
Немає відгуків про цей товар, станьте першим, залиште свій відгук.
Немає питань про даний товар, станьте першим і задайте своє питання.