Редуктор циліндричний 1Ц2У-250
Редуктор типу 1Ц2У-250
Циліндричний редуктор 1Ц2У-250 знайшов широке застосування в багатьох виробничих і промислових областях, таких як машинобудування і верстатобудування. Даний агрегат встановлюють для зміни параметрів обертального моменту і числа обертів різних приводів. Такі пристрої призначені для горизонтального положення.
Редуктор 1Ц2У-250, ціну якого ви можете дізнатися зателефонувавши по телефону, слід встановлювати в місцях з помірним кліматом і слабкою запиленістю. Перетворювач працює в режимі 24 години без зупинок або з періодичними зупинками, при цьому обертання вала може бути в одному напрямку або в реверсному.
Купити редуктор 1Ц2У за ціною виробника ви можете у нас на сайті просто зараз. Для цього вам потрібно лише подзвонити по телефону, вказаному на сайті, або залишити заявку on-line. Співпрацюючи з нами, ви отримуєте якісні пристрої, які прослужать вам багато років. Для оптових покупців діє система лояльних знижок. З кожним редуктором йде унікальний паспорт та гарантія на 12 місяців. Ми оперативно обробляємо замовлення й відправляємо перетворювачі по всій Україні.
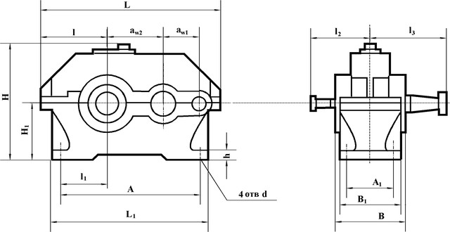
Схема габаритних і приєднувальних розмірів редуктора 1Ц2У-250

| Типорозмір | wт | wб | A | B | 1 | H | 1 | h | L | 1 | 2 | 3 | 4 | 5 | d |
| 1Ц2У-250 | 250 | 160 | 670 | 280 | 218 | 515 | 265 | 32 | 825 | 730 | 212 | 290 | 265 | 335 | 28 |
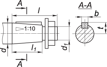
Приєднувальні розміри конічних валів редуктора 1Ц2У-250

| Типорозмір | швидкохідний | тихохідний | ||||||||||
| d | 1 | l | 1 | b | t | d | 1 | l | 1 | b | t | |
| 1Ц2У-250 | 40 | М24х2,0 | 110 | 82 | 10 | 20,9 | 90 | М64х4,0 | 170 | 130 | 22 | 46,75 |
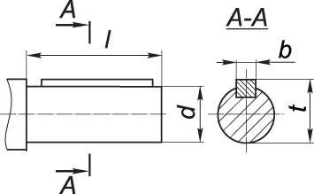
Приєднувальні розміри циліндричних валів редуктора 1Ц2У-250

| Типорозмір | швидкохідний | тихохідний | ||||||
| d | l | b | t | d | l | b | t | |
| 1Ц2У-250 | 35k6 | 82 | 10 | 38 | 85m6 | 170 | 22 | 90 |
| Типорозмір | b | d | 1 | 2 | 3 | L | l | 1 | Зачеплення | |
| m | z | |||||||||
| 1Ц2У-250 | 30 | 232 | 150 | 120F8 | 170 | 231 | 10 | 50 | 4 | 56 |
Технічні характеристики редуктора 1Ц2У-250
| Найменування технічних характеристик | Од. зм. | Типорозмір | |
| 1Ц2У-250 | |||
| Передавальні числа | 8; 10; 12,5; 16; 20; 25; 31,5; 40 | ||
| Допускається радіальна консольні навантаження | на швидкохідному валу | Н | 3150 |
| на тихохідному валу | 18000 | ||
| Номінальний обертальний момент на тихохідному валу | Н.м | 5000 | |
| ККД | % | 0,97 | |
| Маса | кг | 320 | |
Варіанти складання редукторів 1Ц2У

Редуктор цилиндрический 1Ц2У-250
Відгуків про цей товар ще не було.
Немає відгуків про цей товар, станьте першим, залиште свій відгук.
Немає питань про даний товар, станьте першим і задайте своє питання.