Редуктор циліндричний 1Ц2У-315
Редуктор типу 1Ц2У-315
Редуктор 1Ц2У-315 використовують для передачі і перетворення крутного моменту і частоти обертання приводу. Дані агрегати мають тривалий термін експлуатації, при дотриманні наступних умов:
- Швидкість вхідного валу не повинна перевищувати 1800 оборотів в хвилину.
- Навантаження може бути постійна або змінна.
- Середовище, до якого встановлений редуктор, не повинна бути сильно запиленій і вибухонебезпечною.
- Кліматичні умови У, Т, УХЛ і Про, згідно ГОСТ 15150-69.
Оскільки агрегати мають загальнопромислове призначення, область їх застосування включає в себе практично всі промислові і виробничі сфери.
Купити редуктор 1Ц2У за ціною виробника ви можете у нас на сайті просто зараз. Для цього вам потрібно лише подзвонити по телефону, вказаному на сайті, або залишити заявку on-line. Співпрацюючи з нами, ви отримуєте якісні пристрої, які прослужать вам багато років. Для оптових покупців діє система лояльних знижок. З кожним редуктором йде унікальний паспорт та гарантія на 12 місяців. Ми оперативно обробляємо замовлення й відправляємо перетворювачі по всій Україні.
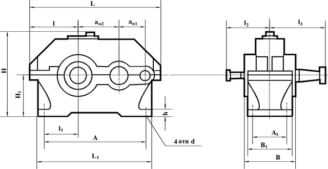
Схема габаритних і приєднувальних розмірів редуктора 1Ц2У-315

| Типорозмір | A wт | A wб | B | B1 | B2 | H | H1 | h | L | L1 | L2 | L3 | L4 | L5 | d |
| 1Ц2У-315 | 315 | 200 | 395 | 260 | 318 | 685 | 335 | 35 | 1030 | 370 | 215 | 360 | 300 | 420 | 28 |
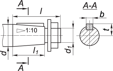
Приєднувальні розміри конічних валів редуктора 1Ц2У-315

| Типорозмір | швидкохідний вал | тихохідний вал | ||||||
| d | l | b | t | d | l | b | t | |
| 1Ц2У-315 | 50k6 | 110 | 14 | 53,5 | 110m6 | 210 | 28 | 116 |
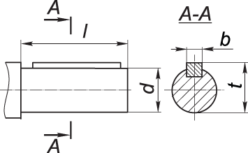
Приєднувальні розміри циліндричних валів редуктора 1Ц2У-315

| Типорозмір | b | d | d1 | d2 | d3 | L | l | l1 | Зачеплення | |
| m | z | |||||||||
| 1Ц2У-315 | 30 | 252 | 130 | 110F8 | 140 | 275 | 10 | 60 | 6 | 40 |
| Типорозмір | b | d | d1 | d2 | d3 | L |
| 1Ц2У-315 | 5 | 110h9 | 75h9 | 55 | М8х20 | 200 |
Технічні характеристики редуктора 1Ц2У-315
| Найменування технічних характеристик | Од. зм. | Типорозмір | |
| 1Ц2У-315 | |||
| Передавальні числа | 8; 10; 12,5; 16; 20; 25; 31,5; 40; 50 | ||
| Допускається радіальна консольні навантаження | на швидкохідному валу | Н | 3500 |
| на т/х циліндричному валу | 30000 | ||
| на т/х валу у вигляді зубчастої муфти | 40000 | ||
| Номінальний крутний момент на вихідному валу | Н.м. | 10000 | |
| ККД | % | 0,98 | |
| Маса | кг | 510 | |
Варіанти складання редукторів 1Ц2У

Редуктор цилиндрический 1Ц2У-315
Відгуків про цей товар ще не було.
Немає відгуків про цей товар, станьте першим, залиште свій відгук.
Немає питань про даний товар, станьте першим і задайте своє питання.