Редуктор циліндричний 1Ц2У-355
Редуктор типу 1Ц2У-355
Двоступінчастий редуктор 1Ц2У-355 має широке застосування в багатьох виробничих галузях. Завдання даного перетворювача полягає в зміні параметрів обертального моменту та швидкості обертання приводу.
Дані агрегати призначені для роботи в сухому, помірному і тропічному кліматі, при запиленості навколишнього середовища не більше 10 мг/м 3. Обертання валів здійснюється в будь-якому напрямку з постійною або змінною навантаженням. Пристрої мають міцну конструкцію і тривалий експлуатаційний термін.
Купити редуктор 1Ц2У за ціною виробника ви можете у нас на сайті просто зараз. Для цього вам потрібно лише подзвонити по телефону, вказаному на сайті, або залишити заявку on-line. Співпрацюючи з нами, ви отримуєте якісні пристрої, які прослужать вам багато років. Для оптових покупців діє система лояльних знижок. З кожним редуктором йде унікальний паспорт та гарантія на 12 місяців. Ми оперативно обробляємо замовлення й відправляємо перетворювачі по всій Україні.
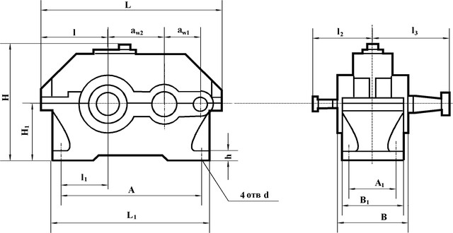
Схема габаритних і приєднувальних розмірів редуктора 1Ц2У-355

| Типорозмір | A wт | A wб | B | B1 | B2 | H | H1 | h | L | L1 | L2 | L3 | L4 | L5 | d |
| 1Ц2У-355 | 355 | 225 | 435 | 280 | 360 | 740 | 375 | 35 | 1160 | 425 | 250 | 400 | 320 | 440 | 28 |
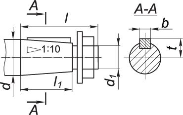
Приєднувальні розміри конічних валів редуктора 1Ц2У-355

| Типорозмір | швидкохідний вал | тихохідний вал | ||||||
| d | l | b | t | d | l | b | t | |
| 1Ц2У-355 | 55m6 | 110 | 16 | 59 | 125m6 | 210 | 32 | 132 |
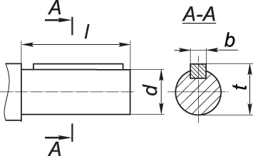
Приєднувальні розміри циліндричних валів редуктора 1Ц2У-355

| Типорозмір | b | d | d1 | d2 | d3 | L | l | l1 | Зачеплення | |
| m | z | |||||||||
| 1Ц2Н-355 | 35 | 294 | 130 | 110F8 | 140 | 310 | 12.5 | 65 | 7 | 40 |
| Типорозмір | b | d | d1 | d2 | d3 | L |
| 1Ц2У-355 | 5 | 125h9 | 75h9 | 55 | М8х20 | 235 |
Технічні характеристики редуктора 1Ц2У-355
| Найменування технічних характеристик | Од. зм. | Типорозмір | |
| 1Ц2У-355 | |||
| Передавальні числа | 8; 10; 12,5; 16; 20; 25; 31,5; 40; 50 | ||
| Допускається радіальна консольні навантаження | на швидкохідному валу | Н | 4200 |
| на т/х циліндричному валу | 40000 | ||
| на т/х валу у вигляді зубчастої муфти | 50000 | ||
| Номінальний крутний момент на вихідному валу | Н.м. | 14000 | |
| ККД | % | 0,98 | |
| Маса | кг | 700 | |
Варіанти складання редукторів 1Ц2У

Редуктор цилиндрический 1Ц2У-355
Відгуків про цей товар ще не було.
Немає відгуків про цей товар, станьте першим, залиште свій відгук.
Немає питань про даний товар, станьте першим і задайте своє питання.