Редуктор циліндричний 1Ц2У-500
Редуктор типу 1Ц2У-500
Горизонтальний редуктор 1Ц2У-500 є з двоступінчастим циліндричним типом передачі. Міжосьова відстань перетворювача дорівнює 500 мм. Завдяки високому показнику ККД і тривалого експлуатаційного терміну його часто використовують в різних промислових галузях для перетворення показників крутного моменту та швидкості обертання приводу.
Обертання валів можливо в обох напрямках з постійною та змінною навантаженням. Редуктор добре зарекомендував себе під час роботи в режимі 24 години, так і з періодичними зупинками. Дані агрегати встановлюють у місцях з помірним, сухим і тропічним кліматом.
Купити редуктор 1Ц2У за ціною виробника ви можете у нас на сайті просто зараз. Для цього вам потрібно лише подзвонити по телефону, вказаному на сайті, або залишити заявку on-line. Співпрацюючи з нами, ви отримуєте якісні пристрої, які прослужать вам багато років. Для оптових покупців діє система лояльних знижок. З кожним редуктором йде унікальний паспорт та гарантія на 12 місяців. Ми оперативно обробляємо замовлення й відправляємо перетворювачі по всій Україні.
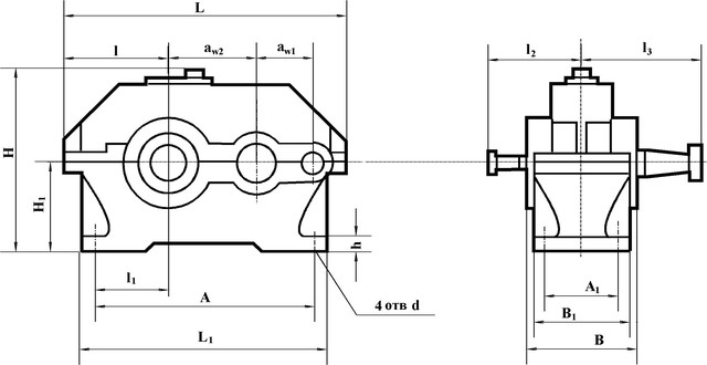
Схема габаритних і приєднувальних розмірів редуктора 1Ц2У-500

| Типорозмір | A wт | A wб | B | B1 | B2 | H | H1 | h | L | L1 | L2 | L3 | L4 | L5 | d |
| 1Ц2Н-500 | 500 | 315 | 700 | 580 | 650 | 1055 | 530 | 60 | 165 | 615 | 360 | 565 | 530 | 690 | 42 |
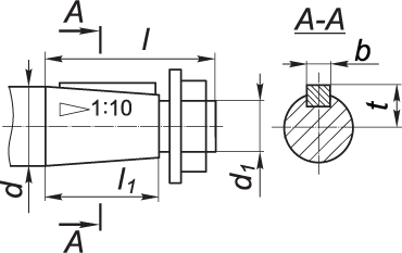
Приєднувальні розміри конічних валів редуктора 1Ц2У-500

| Типорозмір | швидкохідний вал | тихохідний вал | ||||||
| d | l | b | t | d | l | b | t | |
| 1Ц2Н-500 | 90m6 | 170 | 25 | 95 | 180m6 | 300 | 45 | 190 |
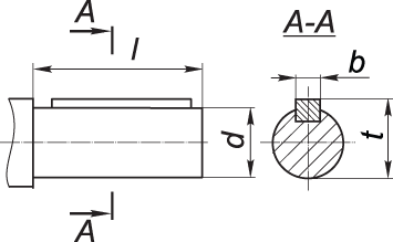
Приєднувальні розміри циліндричних валів редуктора 1Ц2У-500

| Типорозмір | b | d | d1 | d2 | d3 | L | l | l1 | Зачеплення | |
| m | z | |||||||||
| 1Ц2Н-500 | 50 | 420 | 200 | 160F8 | 230 | 470 | 15 | 70 | 10 | 40 |
Технічні характеристики редуктора 1Ц2У-500
| Найменування технічних характеристик | Од. зм. | Типорозмір | |
| 1Ц2Н-500 | |||
| Передавальні числа | 8; 10; 12,5; 16; 20; 25; 31,5; 40; 50 | ||
| Допускається радіальна консольні навантаження | на швидкохідному валу | Н | 10000 |
| на т/х циліндричному валу | 100000 | ||
| на т/х валу у вигляді зубчастої муфти | 100000 | ||
| Номінальний крутний момент на вихідному валу | Н.м. | 56000 | |
| ККД | % | 0,97 | |
| Маса | кг | 2090 | |
Варіанти складання редукторів 1Ц2У

Редуктор цилиндрический 1Ц2У-500
Відгуків про цей товар ще не було.
Немає відгуків про цей товар, станьте першим, залиште свій відгук.
Немає питань про даний товар, станьте першим і задайте своє питання.