Редуктор циліндричний 1Ц3Н-450
Редуктор 1Ц3Н-450
Редуктор 1Ц3Н-450 зубчастий циліндричний триступеневий вузький горизонтальний загального призначення служить для збільшення показників крутного моменту і зменшення значення частоти обертання. Використовується даний тип обладнання в макрокліматичних районах, що характеризуються помірним кліматом (тип виконання - У), сухим/вологим тропічним кліматом (тип виконання - Т), категорія розміщення 1/2/3/4 (експлуатація на відкритому повітрі/під навісом, а також в умовах закритих приміщень та в приміщеннях, оснащених системою регулювання клімату). Особливостями тихохідного валу є те, що його виконання може бути конічним (стандартним), циліндричним (нюанси уточнюються при замовленні), мати вид зубчастої муфти або порожнистим шліцьовим.
Умови застосування редуктора 1Ц3Н-450
- навантаження постійна і змінна, одного напряму і реверсивна;
- робота постійна або з періодичними зупинками;
- обертання валів в будь-яку сторону;
- частота обертання вхідного валу не повинна перевищувати 1800 об/хв;
- атмосфера типів I і II по ГОСТ 15150-69 при запиленості повітря не більше 10 мг/м3;
- кліматичні виконання У, Т (для категорій розміщення 1...3) і кліматичні виконання УХЛ і Про (для категорії розміщення 4) за ГОСТ 1515069.
Переваги роботи з нами
1. Максимально швидка відвантаження – завжди в обумовлений термін.
2. Досвідчені фахівці.
3. Товар відмінної якості.
4. Гарантія на кожну покупку.
5. Вигідні ціни.
6. Відправимо замовлення будь-яким перевізником, по Харкову доставимо власним транспортом.

Розміри редуктора 1Ц3Н-450
| Передаточне ставлення | 31,5; 40; 50; 63; 80; 100; 125; 160; 200 | |
| Навантаження на вал, Н | на швидкохідний вал | 4000 |
| на тихохідний вал | 71000 | |
| на т/х вал із зубчастою муфтою | 95000 | |
| Момент крутіння на тихохідному валу, Н.м | 40000 | |
| ККД | 0,96 | |
| Маса, кг | 1700 | |
Розміри редуктора з зубчастою передачею і трьома ступенями
| Aw т | Aw п | Aw б | B | B 1 | B 2 | H | H 1 | h | L | L 1 | L 2 | L 3 | L 4 | L 5 | d |
| 450 | 280 | 200 | 630 | 515 | 590 | 955 | 475 | 50 | 1580 | 570 | 310 | 500 | 430 | 650 | 35 |

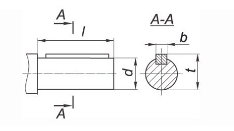
Габарити валів, які виробляються в циліндричній формі
| Швидкохідний Вал | Тихохідний Вал | ||||||
| d | l | b | t | d | l | b | t |
| 50k6 | 110 | 14 | 53,5 | 160m6 | 300 | 40 | 169 |
Розміри вихідного валу, який зроблений у вигляді напівмуфти
| b | d | d 1 | d 2 | d 3 | L | l | l 1 | Зачеплення | |
| m | z | ||||||||
| 50 | 420 | 200 | 160F8 | 230 | 440 | 15 | 70 | 10 | 40 |

Розміри для приєднання до тихоходному валу приладів управління
| b | d | d 1 | d 2 | d 3 | L |
| 5 | 180h9 | 75h9 | 55 | М8х20 | 340 |
Варіанти складання редуктора

Редуктор цилиндрический 1Ц3Н-450
Відгуків про цей товар ще не було.
Немає відгуків про цей товар, станьте першим, залиште свій відгук.
Немає питань про даний товар, станьте першим і задайте своє питання.