Редуктор циліндричний 1Ц3Н-500
Редуктор 1Ц3Н-500
Редуктор 1Ц3Н-500 зубчастий циліндричний триступеневий вузький горизонтальний застосовується в приводах механізмів, де необхідно передавати обертальний рух між паралельними валами, змінюючи, при цьому, швидкість обертання і крутний момент.
Використовується даний тип обладнання в макрокліматичних районах, що характеризуються помірним кліматом , сухим/вологим тропічним кліматом, можлива експлуатація на відкритому повітрі/під навісом, а також в умовах закритих приміщень та в приміщеннях, оснащених системою регулювання клімату. Особливостями тихохідного валу є те, що його виконання може бути конічним (стандартним), циліндричним (нюанси уточнюються при замовленні), мати вид зубчастої муфти або порожнистим шліцьовим.
Умови застосування редуктора 1Ц3Н-500
- навантаження постійна і змінна, одного напряму і реверсивна;
- робота постійна або з періодичними зупинками;
- обертання валів в будь-яку сторону;
- частота обертання вхідного валу не повинна перевищувати 1800 об/хв;
- атмосфера типів I і II по ГОСТ 15150-69 при запиленості повітря не більше 10 мг/м3;
- кліматичні виконання У, Т (для категорій розміщення 1...3) і кліматичні виконання УХЛ і Про (для категорії розміщення 4) за ГОСТ 1515069.
Переваги роботи з нами
1. Максимально швидка відвантаження завжди в обумовлений термін.
2. Досвідчені фахівці.
3. Товар відмінної якості.
4. Гарантія на кожну покупку.
5. Вигідні ціни.
6. Відправимо замовлення будь-яким перевізником, по Харкову доставимо власним транспортом.

Розміри редуктора 1Ц3Н-500
| Передаточне ставлення | 31,5; 40; 50; 63; 80; 100; 125; 160; 200 | |
| Навантаження на вал, Н | на швидкохідний вал | 5000 |
| на тихохідний вал | 100000 | |
| на т/х вал із зубчастою муфтою | 140000 | |
| Момент крутіння на тихохідному валу, Н.м | 56000 | |
| ККД | 0,96 | |
| Маса, кг | 2300 | |
Розміри редуктора з зубчастою передачею і трьома ступенями
| Aw т | Aw п | Aw б | B | B 1 | B 2 | H | H 1 | h | L | L 1 | L 2 | L 3 | L 4 | L 5 | d |
| 500 | 315 | 225 | 700 | 580 | 650 | 1055 | 530 | 60 | 1780 | 670 | 360 | 565 | 460 | 690 | 42 |

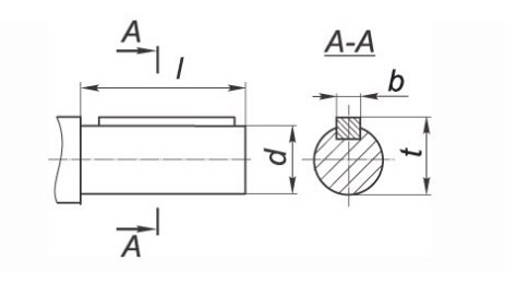
Габарити валів, які виробляються у формі циліндра
| Вал на вході | Вал на виході | ||||||
| d | l | b | t | d | l | b | t |
| 55m6 | 110 | 16 | 59 | 180m6 | 300 | 45 | 190 |

Розміри вихідного валу, який зроблений у вигляді напівмуфти
| b | d | d 1 | d 2 | d 3 | L | l | l 1 | Зачеплення | |
| m | z | ||||||||
| 50 | 420 | 200 | 160F8 | 230 | 470 | 15 | 70 | 10 | 40 |

Розміри для приєднання до тихоходному валу приладів управління
| b | d | d 1 | d 2 | d 3 | L |
| 5 | 190h9 | 75h9 | 55 | М8х20 | 360 |
Варіанти складання редуктора

Умовне позначення редуктора 1Ц3Н-500

Редуктор цилиндрический 1Ц3Н-500
Відгуків про цей товар ще не було.
Немає відгуків про цей товар, станьте першим, залиште свій відгук.
Немає питань про даний товар, станьте першим і задайте своє питання.