Редуктор циліндричний 1Ц3У-250
Редуктор 1Ц3У-250
Редуктори циліндричні триступінчаті вузькі горизонтальні загальномашинобудівного застосування типу 1Ц3У-200, призначені для збільшення крутного моменту та зменшення частоти обертання.
Умови застосування редуктора 1Ц3У-250
- навантаження постійна і змінна, одного напряму і реверсивна;
- робота постійна або з періодичними зупинками;
- обертання валів в будь-яку сторону;
- частота обертання вхідного валу не повинна перевищувати 1800 об/хв;
- атмосфера типів I і II по ГОСТ 15150-69 при запиленості повітря не більше 10 мг/м3;
- кліматичні виконання У, Т (для категорій розміщення 1...3) і кліматичні виконання УХЛ і Про (для категорії розміщення 4) за ГОСТ 1515069.
Переваги роботи з нами
1. Максимально швидка відвантаження – завжди в обумовлений термін.
2. Досвідчені фахівці.
3. Товар відмінної якості.
4. Гарантія на кожну покупку.
5. Вигідні ціни.
6. Відправимо замовлення будь-яким перевізником, по Харкову доставимо власним транспортом.

Розміри редуктора 1Ц3У-250
| Передаточне ставлення | 16; 20; 25; 31,5; 40; 45; 50; 56; 63; 80; 100; 125; 160; 200 | |
| Навантаження на вал, Н | на швидкохідний вал | 2240 |
| на тихохідний вал | 18000 | |
| Мкр на тихохідному валу, Н.м | 5000 | |
| ККД | 0,96 | |
| Вага, кг | 335 | |
Розміри редуктора з зубчастою передачею і трьома ступенями
| Aw т | Aw п | Aw б | A | A 1 | B | B 1 | H | H 1 | h | L | L 1 | L 2 | L 3 | L 4 | L 5 | d |
| 250 | 160 | 125 | 750 | 218 | 290 | 280 | 530 | 265 | 36 | 950 | 825 | 212 | 290 | 236 | 335 | 28 |

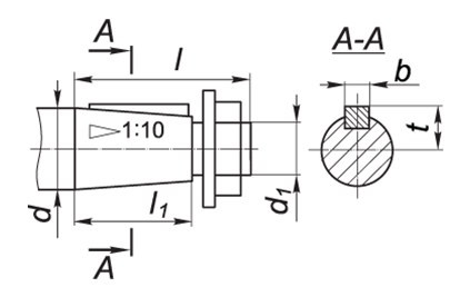
Розміри валів редуктора, які виготовляються у вигляді конуса
| Вал на вході | Вал на виході | ||||||||||
| d | d 1 | l | l 1 | b | t | d | d 1 | l | l 1 | b | t |
| 30 | М20х1,5 | 80 | 58 | 5 | 15,55 | 90 | М64х4,0 | 170 | 130 | 22 | 46,75 |

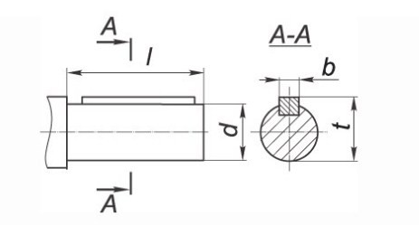
Розміри валів редуктора, які виробляються у вигляді циліндра
| Вал на вході | Вал на виході | ||||||
| d | l | b | t | d | l | b | t |
| 25k6 | 58 | 8 | 28 | 85m6 | 170 | 22 | 90 |
Габарити вихідного валу циліндричного редуктора, який виконаний у вигляді напівмуфти:
| b | d | d 1 | d 2 | d 3 | L | l | l 1 | Зачеплення | |
| m | z | ||||||||
| 30 | 232 | 150 | 120F8 | 170 | 236 | 10 | 50 | 4 | 56 |
ВАРІАНТИ СКЛАДАННЯ РЕДУКТОРІВ

Редуктор цилиндрический 1Ц3У-250
Відгуків про цей товар ще не було.
Немає відгуків про цей товар, станьте першим, залиште свій відгук.
Немає питань про даний товар, станьте першим і задайте своє питання.