Редуктор циліндричний 1Ц3У-315
Редуктор 1Ц3У-315
Редуктор 1Ц3У-315 — ето циліндричний триступеневий горизонтальний редуктор загальному світлобудівливому призначенню.
Редуктор типу 1ЦЗП — міцний і високостійкий до умов роботи підвищеної складності, тому з успіхом застосовується в машинобудуванні, нафтопереробному виробництві, сільському господарстві та на підприємствах зв'язку.
Умови застосування редуктора 1Ц3У-315
- навантаження постійне та змінне, одного напрямку та реверсивне;
- робота постійна або з періодичними зупинками;
- обертання валів у будь-який бік;
- частота обертання вхідного вала не має перевищувати 1800 об/хв;
- атмосфера типів I і II за ГОСТ 15150-69 у разі запиленості повітря не більш ніж 10 мг/м3;
- кліматичні виконання У, Т (для категорій розміщення 1...3) і кліматичні виготовлення УХЛ та О (для категорії розміщення 4) за ГОСТ 1515069.
Переваги роботи з нами
1. Максимально швидке відвантаження — завжди в заявлений термін.
2. Досвідчені фахівці.
3. Товар чудової якості.
4. Гарантія на кожну покупку.
5. Вигідні ціни.
6. Відправимо замовлення будь-яким перевезенням, за Харковом доставимо власним транспортом.

Розміри редуктора 1Ц3У-315
| Передавальне відношення | 31,5; 40; 50; 63; 80; 100; 125; 160; 200 | |
| Навантаження на вал, Н | на швидкий вал | 1120 |
| на тихохідний вал | 31500 | |
| на т/х вал із зубчастою муфтою | 40000 | |
| Мкр на тихенькохідному валу, Н.м | 10000 | |
| ККД | 0,97 | |
| Маса, кг | 580 | |
Розміри редуктора 1Ц3У-315 із зубчастим передаванням і трьома ступенями
| Aw т | Aw н | Aw б | B | B 1 | B 2 | H | H 1 | h | L | L 1 | L 2 | L 3 | L 4 | L 5 | d |
| 315 | 200 | 125 | 395 | 260 | 318 | 685 | 335 | 35 | 1135 | 415 | 215 | 360 | 270 | 420 | 28 |

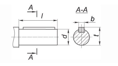
Габарити валів циліндричного триступеневого горизонтального редуктора 1Ц3У-315, які виробляються у формі циліндра
| Вал на вході | Вал на виході | ||||||
| d | l | b | t | d | l | b | t |
| 30k6 | 80 | 8 | 33 | 110m6 | 210 | 28 | 116 |
Розміри вихідного вала циліндричного редуктора 1Ц3У-315, який виготовлений як напівмуфти
| b | d | d 1 | d 2 | d 3 | L | l | l 1 | Зачеплення | |
| m | z | ||||||||
| 30 | 252 | 130 | 110F8 | 140 | 275 | 10 | 60 | 6 | 40 |
Розміри для приєднання до тихохідного валу приладів керування
| b | d | d 1 | d 2 | d 3 | L |
| 5 | 110h9 | 75h9 | 55 | М8х20 | 200 |
ВАРІАНТИ ЗБІРКИ РЕДУКТОРУ

Редуктор цилиндрический 1Ц3У-315
Відгуків про цей товар ще не було.
Немає відгуків про цей товар, станьте першим, залиште свій відгук.
Немає питань про даний товар, станьте першим і задайте своє питання.