Редуктор циліндричний 1Ц3У-355
Редуктор 1Ц3У-355
Циліндричний триступеневий горизонтальний редуктор типу 1ЦЗУ-355 – міцний і высокоустойчивый до умов роботи підвищеної складності, тому з успіхом застосовується в машинобудуванні, нафтопереробному виробництві, сільському господарстві та на підприємствах зв'язку.
Умови застосування редуктора 1Ц3У-355
- навантаження постійна і змінна, одного напряму і реверсивна;
- робота постійна або з періодичними зупинками;
- обертання валів в будь-яку сторону;
- частота обертання вхідного валу не повинна перевищувати 1800 об/хв;
- атмосфера типів I і II по ГОСТ 15150-69 при запиленості повітря не більше 10 мг/м3;
- кліматичні виконання У, Т (для категорій розміщення 1...3) і кліматичні виконання УХЛ і Про (для категорії розміщення 4) за ГОСТ 1515069.
Переваги роботи з нами
1. Максимально швидка відвантаження – завжди в обумовлений термін.
2. Досвідчені фахівці.
3. Товар відмінної якості.
4. Гарантія на кожну покупку.
5. Вигідні ціни.
6. Відправимо замовлення будь-яким перевізником, по Харкову доставимо власним транспортом.

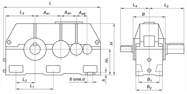
Розміри редуктора 1Ц3У-355
| Передаточне ставлення | 31,5; 40; 50; 63; 80; 100; 125; 160; 200 | |
| Навантаження на вал, Н | на швидкохідний вал | 1400 |
| на тихохідний вал | 40000 | |
| на т/х вал із зубчастою муфтою | 50000 | |
| Мкр на тихохідному валу, Н.м | 14000 | |
| ККД | 0,97 | |
| Маса, кг | 760 | |
Розміри редуктора 1Ц3У-355 з зубчастою передачею і трьома ступенями
| Aw т | Aw п | Aw б | B | B 1 | B 2 | H | H 1 | h | L | L 1 | L 2 | L 3 | L 4 | L 5 | d |
| 355 | 225 | 140 | 435 | 280 | 360 | 740 | 375 | 35 | 1260 | 475 | 250 | 400 | 290 | 440 | 28 |

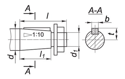
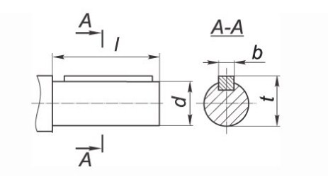
Габарити валів циліндричного трьохступінчатого горизонтального редуктора 1Ц3У-355, які виробляються у вигляді циліндра
| Вал на вході | Вал на виході | ||||||
| d | l | b | t | d | l | b | t |
| 35k6 | 80 | 10 | 38 | 125m6 | 210 | 32 | 132 |

Розміри вихідного валу циліндричного редуктора 1Ц3У-355, який виконаний у вигляді напівмуфти
| b | d | d 1 | d 2 | d 3 | L | l | l 1 | Зачеплення | |
| m | z | ||||||||
| 35 | 294 | 130 | 110F8 | 140 | 310 | 12,5 | 65 | 7 | 40 |
Розміри для приєднання до тихоходному валу приладів управління
| b | d | d 1 | d 2 | d 3 | L |
| 5 | 125h9 | 75h9 | 55 | М8х20 | 235 |
ВАРІАНТИ СКЛАДАННЯ РЕДУКТОРА

Редуктор цилиндрический 1Ц3У-355
Відгуків про цей товар ще не було.
Немає відгуків про цей товар, станьте першим, залиште свій відгук.
Немає питань про даний товар, станьте першим і задайте своє питання.