Редуктор циліндричний 1Ц3У-400
Редуктор 1Ц3У-400
Триступеневий горизонтальний циліндричний редуктор 1Ц3У-400 загальномашинобудівного застосування призначений для зміни крутних моментів і частоти обертання. Такі редуктори застосовуються на різних майданчиках у зв'язці з іншим обладнанням, причому займуть зовсім небагато місця, завдяки компактним габаритам. Встановлений на різних пристроях і пристосуваннях, він знижує частоту обертання, але в теж час збільшує крутний момент.
Умови застосування редуктора 1Ц3У-400
- навантаження постійна і змінна, одного напряму і реверсивна;
- робота постійна або з періодичними зупинками;
- обертання валів в будь-яку сторону;
- частота обертання вхідного валу не повинна перевищувати 1800 об/хв;
- атмосфера типів I і II по ГОСТ 15150-69 при запиленості повітря не більше 10 мг/м3;
- кліматичні виконання У, Т (для категорій розміщення 1...3) і кліматичні виконання УХЛ і Про (для категорії розміщення 4) за ГОСТ 1515069.
Переваги роботи з нами
1. Максимально швидка відвантаження – завжди в обумовлений термін.
2. Досвідчені фахівці.
3. Товар відмінної якості.
4. Гарантія на кожну покупку.
5. Вигідні ціни.
6. Відправимо замовлення будь-яким перевізником, по Харкову доставимо власним транспортом.

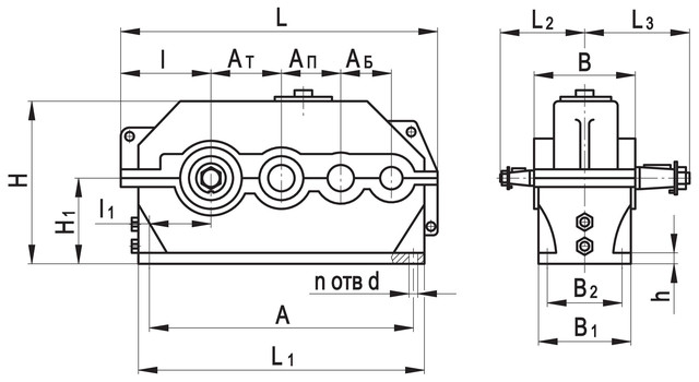
Розміри редуктора 1Ц3У-400
| Передаточне ставлення | 31,5; 40; 50; 63; 80; 100; 125; 160; 200 | |
| Навантаження на вал, Н | на швидкохідний вал | 2000 |
| на тихохідний вал | 45000 | |
| на т/х вал із зубчастою муфтою | 56000 | |
| Мкр на тихохідному валу, Н.м | 20000 | |
| ККД | 0,97 | |
| Маса, кг | 960 | |
Розміри редуктора 1Ц3У-400 з зубчастою передачею і трьома ступенями
| Aw т | Aw п | Aw б | B | B 1 | B 2 | H | H 1 | h | L | L 1 | L 2 | L 3 | L 4 | L 5 | d |
| 400 | 250 | 160 | 475 | 330 | 420 | 835 | 425 | 42 | 1415 | 535 | 280 | 450 | 340 | 500 | 35 |

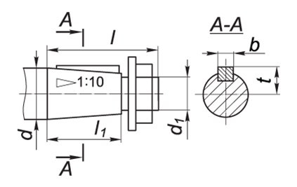
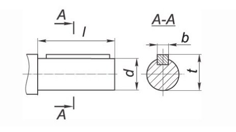
Габарити валів циліндричного трьохступінчатого горизонтального редуктора 1Ц3У-400, які виробляються у вигляді циліндра
| Вал на вході | Вал на виході | ||||||
| d | l | b | t | d | l | b | t |
| 40k6 | 110 | 12 | 43 | 140m6 | 250 | 36 | 148 |

Розміри вихідного валу циліндричного редуктора 1Ц3У-400, який виконаний у вигляді напівмуфти
| b | d | d 1 | d 2 | d 3 | L | l | l 1 | Зачеплення | |
| m | z | ||||||||
| 40 | 336 | 180 | 150F8 | 215 | 335 | 15 | 65 | 8 | 40 |
Розміри для приєднання до тихоходному валу приладів управління
| b | d | d 1 | d 2 | d 3 | L |
| 5 | 140h9 | 75h9 | 55 | М8х20 | 240 |
ВАРІАНТИ СКЛАДАННЯ РЕДУКТОРІВ

Редуктор цилиндрический 1Ц3У-400
Відгуків про цей товар ще не було.
Немає відгуків про цей товар, станьте першим, залиште свій відгук.
Немає питань про даний товар, станьте першим і задайте своє питання.