Редуктор циліндричний А-700-4.5 шевронний
Циліндричний шевронний редуктор А-700-4.5 одноступеневий
Циліндричний редуктор А-700-4.5 — це спеціалізований промисловий пристрій механічного принципу дії. Воно використовується як механізм, що підвищує продуктивність усієї системи за допомогою оптимізації частоти обертання й моменту крутіння. У такому перетворювачі реалізується шевронне зачеплення, завдяки якому механізм збільшує свій ресурс, відбувається захист підшипників від зносу під дією високих навантажень і зменшується шум, що видається редукторів під час роботи.
Представники компанії «Промпривод» допоможуть вам вибрати та замовити редуктор шевронний типу А-700 в Україні за привабливою ціною. Ми контролюємо справність обладнання й надаємо покупцям прозору інформацію про якість і особливості експлуатації необхідного механізму. На редуктори А-700 ціна в нас оптимальна та може бути знижена внаслідок гуртового замовлення. Надаємо річну гарантію на редуктори та відправляємо їх по країні.
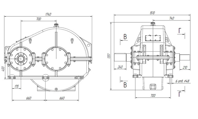
Основні установлювальні та габаритні розміри редуктора А-700

Розміри вхідного та вихідного вала редуктора А-700

Основні параметри редуктора А-700
| Найменування параметрів | Значення |
| Тип передавання | Циліндричний |
| Кількість щаблів | Одноступеневий |
| Розташування осей | Паралельне |
| Передавальне відношення | 4.5 |
| Номінальний крутний момент, Н·м | 13000 |
| Сумарна міжосьова відстань, мм | 700 |
| Маса, кг | 3400 |
| Максимальна швидкість обертання швидкохідного вала, об/хв | 1000 |
| Вихідний контур передавання | ГОСТ 13755-81 |
| Номінальна частота обертання вихідного вала, об/хв | 750 |
| Номінальне радіальне консольне навантаження, прикладено в середині посадкової частини, швидкохідного вала, Н | 6700 |
| Номінальне радіальне консольне навантаження, прикладено в середині посадкової частини, тихохідного вала, Н | 28500 |
| ККД | 98% |
| Коригований рівень звукової потужності, дБА | 113 |
Шевронне зубчасте зачеплення
Редуктор цилиндрический А-700-4.5 шевронный
Відгуків про цей товар ще не було.
Немає відгуків про цей товар, станьте першим, залиште свій відгук.
Немає питань про даний товар, станьте першим і задайте своє питання.