Редуктор В-100
Редуктор В-100
Спеціальні кранові циліндричні триступеневі редуктори типу В-100 призначені для використання в приводах механізмів пересування вантажопідіймальних кранів і для збільшення крутного моменту та зменшення частоти обертання різних машин і механізмів.
Переваги роботи з нами
1. Максимально швидке відвантаження — завжди в заявлений термін.
2. Досвідчені фахівці.
3. Товар чудової якості.
4. Гарантія на кожну покупку.
5. Вигідні ціни.
6. Відправимо замовлення будь-яким перевезенням, за Харковом доставимо власним транспортом.
Умови застосування редуктора В-100
- обертання валів у обидві сторони;
- температура зовнішнього середовища від -400С до +500З;
- неагресивне середовище, помірна запиленість і вологість;
- частота обертання швидкохідного вала не має перевищувати 1000 об/хв;
- атмосфера типів I і II за ГОСТ 15150-69 за запиленості повітря не більш ніж 10 мг/м3;
- експлуатація в макрокаматичних районах із помірним (У), сухим і вологим тропічним (Т) кліматом, категорія розміщення 2 за ГОСТ15150-69.
Замовте циліндричний редуктор у нас і ми максимально швидко доставимо його в будь-який регіон України.

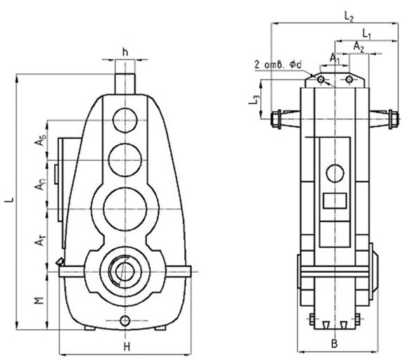
Характеристики редуктора В-100
| Типорозмір редуктора | АБ | АП | АТ | А1 | А2 | В | Н | h | L | L1 | L2 | L3 | M | d |
| мм | ||||||||||||||
| В-100 | 80 | 100 | 100 | 60 | 55 | 170 | 254 | 40 | 470 | 150 | 300 | 71,5 | 100 | 11 |
Технічні характеристики редуктора В-100
| Тип | Номінальне передавальне число | Номінальний крутний момент на вихідному валу за частоти обертання вхідного вала 1000 об./хв, Нм | ККД | Маса | |
| хв | макс | ||||
| В-100 | 10;12,5 | 172 | 438 | 0,94 | 52 |
| 16 | 188 | 438 | |||
| 20;25 | 188 | 500 | |||
| 31,5;40 | 203 | 563 | |||
Варіанти збирання редуктора В-100

Редуктор В-100
Відгуків про цей товар ще не було.
Немає відгуків про цей товар, станьте першим, залиште свій відгук.
Немає питань про даний товар, станьте першим і задайте своє питання.