Редуктор В-100-12.5
Крановий редуктор В-100-12.5
Циліндричний редуктор з міжосьовою відстанню 100 мм і передавальним числом 12.5i відноситься до категорії вертикальних. Його застосовують у пересувних механізмах кранового обладнання з метою зміни параметрів обертання електроприводів. Його механізм складається з трьох щаблів із застосуванням циліндричного типу передачі. Він поміщений у чавунний корпус.
Працює редуктор В-100-12.5 в повторно-короткочасному режимі, а також у безперервному, але не довше 30 хвилин. Його вали можуть обертатися у будь-якому напрямку з різними типами навантаження. Максимальна швидкість на вхідний вал не повинна перевищувати 1000 об/хв.
Компанія виробник «Промпривод» пропонує Вам купити редуктор В-100-12.5 оптом та роздріб за ціною, нижчою від ринку на 3-10%. Доставка здійснюється по всій Україні одразу після внесення оплати. Для постійних клієнтів та оптових покупців діє гнучка система знижок. Вся продукція постачається після попередньої перевірки у ВТК. Для замовлення обладнання ви можете залишити заявку онлайн або зв'язатися з нашими менеджерами за телефонами, вказаними на сайті.
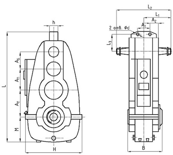
Схема габаритних і приєднувальних розмірів редуктора В-100-12.5

| Типорозмір редуктора | АБ | АП | АТ | А1 | А2 | В | Н | h | L | L1 | L2 | L3 | M | d |
| мм | ||||||||||||||
| В-100-12.5 | 80 | 100 | 100 | 60 | 55 | 170 | 254 | 40 | 470 | 150 | 300 | 71,5 | 100 | 11 |
Технічні характеристики редуктора В-100-12.5
| Тип | Номінальне передавальне число | Номінальний момент, що крутить, на вихідному валу при частоті обертання вхідного валу 1000 об/хв, Нм | ККД | Маса | |
| мін | макс | ||||
| В-100 | 12.5 | 172 | 438 | 0,94 | 52 |
Варіанти складання редуктора В-100-12.5

Схема умовних позначень редуктора В-100-12.5

Редуктор В-100-12.5
Відгуків про цей товар ще не було.
Немає відгуків про цей товар, станьте першим, залиште свій відгук.
Немає питань про даний товар, станьте першим і задайте своє питання.