Редуктор В-100-16
Редуктор крановий В-100-16
Вертикальний редуктор В-100-16 відносять до категорії кранових та застосовують для зміни показників обертання приводів. У його конструкції застосований циліндричний тип передачі та три ступені.
Крановий редуктор має низку умов для застосування, це:
- робота без зупинок трохи більше 30 хв;
- можливість обертання валів у будь-якому напрямку чи реверсному режимі;
- максимальна швидкість на вхідному валі 1000 об/хв;
- експлуатація в неагресивному середовищі із запиленістю, що не перевищує 10 мг/м3.
Корпус редуктора В-100-16 виконаний із чавуну.
Компанія виробник «Промпривод» пропонує Вам купити редуктор В-100-16 оптом та роздріб за ціною, нижчою від ринку на 3-10%. Доставка здійснюється по всій Україні одразу після внесення оплати. Для постійних клієнтів та оптових покупців діє гнучка система знижок. Вся продукція постачається після попередньої перевірки у ВТК. Для замовлення обладнання ви можете залишити заявку онлайн або зв'язатися з нашими менеджерами за телефонами, вказаними на сайті.
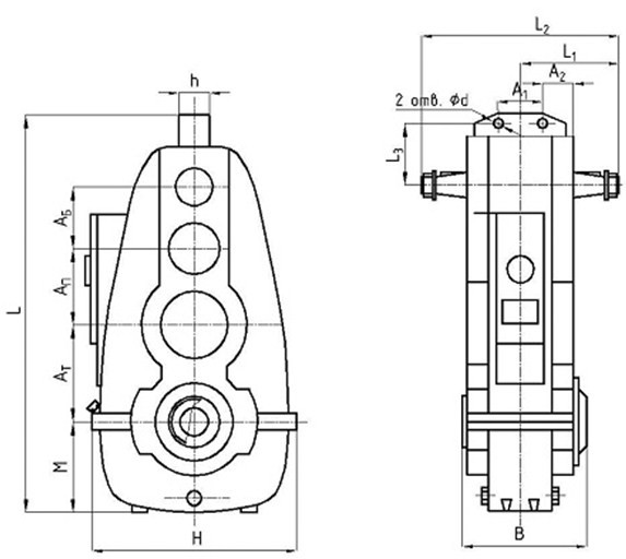
Схема габаритних і приєднувальних розмірів редуктора В-100-16

| Типорозмір редуктора | АБ | АП | АТ | А1 | А2 | В | Н | h | L | L1 | L2 | L3 | M | d |
| мм | ||||||||||||||
| В-100-16 | 80 | 100 | 100 | 60 | 55 | 170 | 254 | 40 | 470 | 150 | 300 | 71,5 | 100 | 11 |
Технічні характеристики редуктора В-100-16
| Тип | Номінальне передавальне число | Номінальний момент, що крутить, на вихідному валу при частоті обертання вхідного валу 1000 об/хв, Нм | ККД | Маса | |
| мін | макс | ||||
| В-100 | 16 | 188 | 438 | 0,94 | 52 |
Варіанти складання редуктора В-100-16

Схема умовних позначень редуктора В-100-16

Редуктор В-100-16
Відгуків про цей товар ще не було.
Немає відгуків про цей товар, станьте першим, залиште свій відгук.
Немає питань про даний товар, станьте першим і задайте своє питання.