Редуктор В-100-25
Крановый редуктор В-100-25
Циліндричний редуктор В-100-25 застосовують переважно в конструкціях пересування вантажопідйомного обладнання. Його мета – це зміна показників числа оборотів і моменту електроприводу, що крутить. Конструктивно він складається з чавунного корпусу та триступінчастого механізму із застосуванням циліндричного типу передачі. Належити до категорії вертикальних редукторів.
Редуктор В-100-25 може працювати як у повторно-короткочасному режимі, так і безперервному, але не довше 30 хв. Вали обертаються у будь-якому напрямку з різними типами навантаження. Цей редуктор дуже надійний, довговічний і простий у використанні.
Компанія виробник «Промпривод» пропонує Вам купити редуктор В-100-25 оптом та роздріб за ціною, нижчою від ринку на 3-10%. Доставка здійснюється по всій Україні одразу після внесення оплати. Для постійних клієнтів та оптових покупців діє гнучка система знижок. Вся продукція постачається після попередньої перевірки у ВТК. Для замовлення обладнання ви можете залишити заявку онлайн або зв'язатися з нашими менеджерами за телефонами, вказаними на сайті.
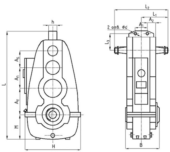
Схема габаритних і приєднувальних розмірів редуктора В-100-25

| Типорозмір редуктора | АБ | АП | АТ | А1 | А2 | В | Н | h | L | L1 | L2 | L3 | M | d |
| мм | ||||||||||||||
| В-100-25 | 80 | 100 | 100 | 60 | 55 | 170 | 254 | 40 | 470 | 150 | 300 | 71,5 | 100 | 11 |
Технічні характеристики редуктора В-100-25
| Тип | Номінальне передавальне число | Номінальний момент, що крутить, на вихідному валу при частоті обертання вхідного валу 1000 об/хв, Нм | ККД | Маса | |
| мін | макс | ||||
| В-100 | 25 | 188 | 500 | 0,94 | 52 |
Варіанти складання редуктора В-100-25

Схема умовних позначень редуктора В-100-25

Редуктор В-100-25
Відгуків про цей товар ще не було.
Немає відгуків про цей товар, станьте першим, залиште свій відгук.
Немає питань про даний товар, станьте першим і задайте своє питання.