Редуктор В-100-31.5
Редуктор крановий В-100-31.5
Циліндричний редуктор В-100-31.5 конструкційно складається з корпусу, виконаного з чавуну і розміщеного в ньому триступінчастого механізму з циліндричним типом передачі. Його міжосьова відстань дорівнює 100 мм, а передавальне число 31.5i. Найчастіше цей редуктор використовується у вантажопідіймальному устаткуванні з метою зміни параметрів обертання електроприводу.
Редуктор В-100-31.5 відноситься до категорії вертикальних пристроїв і може встановлюватися як вертикально, так і в похилому положенні. Працює він у кількох режимах:
- повторно-короткочасний;
- безперервному, але не більше 30 хв.
Компанія виробник «Промпривод» пропонує Вам купити редуктор В-100-31.5 оптом та роздріб за ціною, нижчою від ринку на 3-10%. Доставка здійснюється по всій Україні одразу після внесення оплати. Для постійних клієнтів та оптових покупців діє гнучка система знижок. Вся продукція постачається після попередньої перевірки у ВТК. Для замовлення обладнання ви можете залишити заявку онлайн або зв'язатися з нашими менеджерами за телефонами, вказаними на сайті.
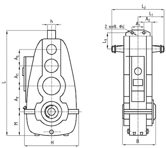
Схема габаритних і приєднувальних розмірів редуктора В-100-31.5

| Типорозмір редуктора | АБ | АП | АТ | А1 | А2 | В | Н | h | L | L1 | L2 | L3 | M | d |
| мм | ||||||||||||||
| В-100-31.5 | 80 | 100 | 100 | 60 | 55 | 170 | 254 | 40 | 470 | 150 | 300 | 71,5 | 100 | 11 |
Технічні характеристики редуктора В-100-31.5
| Тип | Номінальне передавальне число | Номінальний момент, що крутить, на вихідному валу при частоті обертання вхідного валу 1000 об/хв, Нм | ККД | Маса | |
| мін | макс | ||||
| В-100 | 31.5 | 203 | 563 | 0,94 | 52 |
Варіанти складання редуктора В-100-31.5
Схема умовних позначень редуктора В-100-31.5

Редуктор В-100-31.5
Відгуків про цей товар ще не було.
Немає відгуків про цей товар, станьте першим, залиште свій відгук.
Немає питань про даний товар, станьте першим і задайте своє питання.
