Редуктор В-125
Редуктор В-125
Редуктор В-125 — це циліндричний триступеневий вертикальний редуктор спеціального призначення.
Редуктор типу В успішно застосовується в приводах механізмів вантажного обладнання, як-от балки кранові та візок кранові. Може бути виготовлений із фланцем.
Переваги роботи з нами
1. Максимально швидке відвантаження — завжди в заявлений термін.
2. Досвідчені фахівці.
3. Товар чудової якості.
4. Гарантія на кожну покупку.
5. Вигідні ціни.
6. Відправимо замовлення будь-яким перевезенням, за Харковом доставимо власним транспортом.
Умови застосування редуктора В-125
- обертання валів у обидві сторони;
- температура зовнішнього середовища від -400С до +500З;
- неагресивне середовище, помірна запиленість і вологість;
- частота обертання швидкохідного вала не має перевищувати 1000 об/хв;
- атмосфера типів I і II за ГОСТ 15150-69 за запиленості повітря не більш ніж 10 мг/м3;
- експлуатація в макрокаматичних районах із помірним (У), сухим і вологим тропічним (Т) кліматом, категорія розміщення 2 за ГОСТ15150-69.
Замовте циліндричний редуктор В-125 у нас і ми максимально швидко доставимо його в будь-який регіон України.

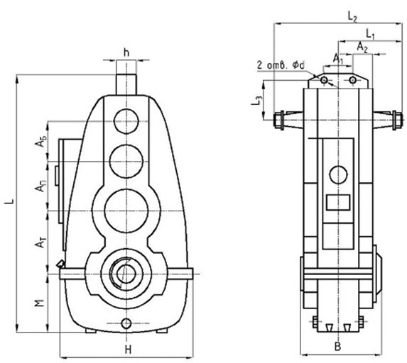
Характеристики редуктора В-125
| Типорозмір редуктора | АБ | АП | АТ | А1 | А2 | В | Н | h | L | L1 | L2 | L3 | M | d |
| мм | ||||||||||||||
| В-125 | 80 | 125 | 125 | 80 | 60 | 170 | 316 | 60 | 545 | 153 | 325 | 71 | 125 | 14 |
Технічні характеристики редуктора В-125
| Тип | Номінальне передавальне число | Номінальний крутний момент на вихідному валу за частоти обертання вхідного вала 1000 об./хв, Нм | ККД | Маса | |
| хв | макс | ||||
| В-125 | 10;12,5 | 344 | 875 | 0,94 | 79 |
| 16 | 375 | 875 | |||
| 20;25 | 375 | 1000 | |||
| 31,5;40 | 406 | 1125 | |||
| 50 | 406 | 1250 | |||
Варіанти збирання редуктора В-125

Редуктор В-125
Відгуків про цей товар ще не було.
Немає відгуків про цей товар, станьте першим, залиште свій відгук.
Немає питань про даний товар, станьте першим і задайте своє питання.