Редуктор В-125-12.5
Крановий редуктор В-125-12.5
Редуктор В-125-12.5 є вертикальним пристроєм, який найчастіше застосовується в механізмах пересування вантажопідіймального обладнання з метою зміни параметрів обертання електроприводів. Також може застосовуватись і в інших галузях промисловості.
Циліндричний редуктор В-125-12.5 складається з:
- корпуса, виконаного з чавуну;
- триступінчастого механізму із використанням циліндричного типу передачі.
Працює даний редуктор як у повторно короткочасному режимі, так і в безперервному, але не довше 30 хвилин.
Компанія виробник «Промпривод» пропонує Вам купити редуктор В-125-12.5 високої якості та за найвигіднішою ціною. У разі виникнення труднощів у виборі обладнання або оформленні замовлення ви завжди можете звернутися за допомогою до наших менеджерів - замовивши зворотній дзвінок або залишивши заявку онлайн. Доставка здійснюється по всій Україні одразу після внесення оплати. Для постійних клієнтів та оптових покупців діє гнучка система знижок.
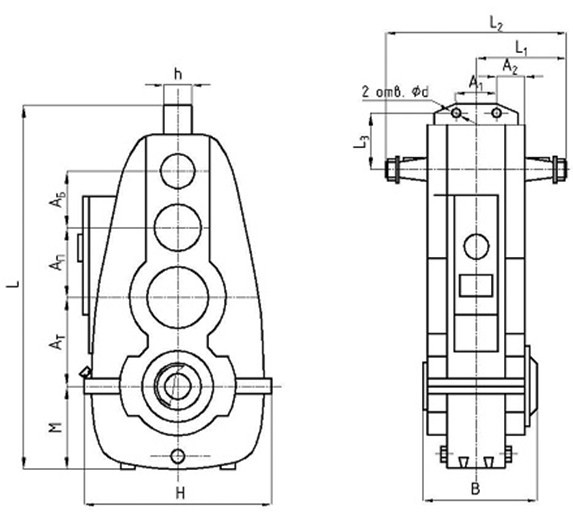
Схема габаритних і приєднувальних розмірів редуктора В-125-12.5

| Типорозмір редуктора | АБ | АП | АТ | А1 | А2 | В | Н | h | L | L1 | L2 | L3 | M | d |
| мм | ||||||||||||||
| В-125-12.5 | 80 | 125 | 125 | 80 | 60 | 170 | 316 | 60 | 545 | 153 | 325 | 71 | 125 | 14 |
Технічні характеристики редуктора В-125-12.5
| Тип | Номінальне передавальне число | Номінальний момент, що крутить, на вихідному валу при частоті обертання вхідного валу 1000 об/хв, Нм | ККД | Маса | |
| мін | макс | ||||
| В-125 | 12.5 | 344 | 875 | 0,94 | 79 |
Варіанти складання редуктора В-125-12.5

Схема умовних позначень редуктора В-125-12.5

Редуктор В-125-12.5
Відгуків про цей товар ще не було.
Немає відгуків про цей товар, станьте першим, залиште свій відгук.
Немає питань про даний товар, станьте першим і задайте своє питання.