Редуктор В-125-25
Крановий редуктор В-125-25
Циліндричний редуктор В-125-25 є дуже надійним і довговічним пристроєм. Його застосовують у механізмах пересування кранового обладнання з метою зміни показників обертання електроприводів.
Працює редуктор В-125-25 в постійному і в повторно-короткочасному режимі. Вали його обертаються в будь-якому напрямку за різних типів навантаження. Максимальна швидкість на вхідному валі не повинна перевищувати 1000 об/хв.
Конструкційно складається з триступінчастого механізму з паралельно розташованими осями та застосуванням циліндричного типу передачі.
Компанія виробник «Промпривод» пропонує Вам купити редуктор В-125-25 високої якості та за найвигіднішою ціною. У разі виникнення труднощів у виборі обладнання або оформленні замовлення ви завжди можете звернутися за допомогою до наших менеджерів - замовивши зворотній дзвінок або залишивши заявку онлайн. Доставка здійснюється по всій Україні одразу після внесення оплати. Для постійних клієнтів та оптових покупців діє гнучка система знижок.
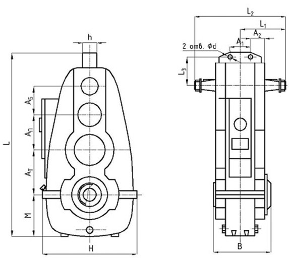
Схема габаритних і приєднувальних розмірів редуктора В-125-25

| Типорозмір редуктора | АБ | АП | АТ | А1 | А2 | В | Н | h | L | L1 | L2 | L3 | M | d |
| мм | ||||||||||||||
| В-125-25 | 80 | 125 | 125 | 80 | 60 | 170 | 316 | 60 | 545 | 153 | 325 | 71 | 125 | 14 |
Технічні характеристики редуктора В-125-25
| Тип | Номінальне передавальне число | Номінальний момент, що крутить, на вихідному валу при частоті обертання вхідного валу 1000 об/хв, Нм | ККД | Маса | |
| мін | макс | ||||
| В-125 | 25 | 375 | 1000 | 0,94 | 79 |
Варіанти складання редуктора В-125-25

Схема умовних позначень редуктора В-125-25

Редуктор В-125-25
Відгуків про цей товар ще не було.
Немає відгуків про цей товар, станьте першим, залиште свій відгук.
Немає питань про даний товар, станьте першим і задайте своє питання.