Редуктор В-125-31.5
Крановий редуктор В-125-31.5
Циліндричний редуктор В-125-31.5 використовується в механізмах пересування вантажопідйомного обладнання і служать для зміни показників обертання різних електроприводів.
Редуктор В-125-31.5 конструкційно складається з:
- триступінчастого механізму з циліндричним типом передачі, міжосьовою відстанню 125 мм і передавальним відношенням 31.5i;
- корпуси виконаного із чавуну.
Експлуатується в помірному та тропічному кліматі за температури -40…+50 градусів Цельсія. Встановлюється у вертикальному положенні та під нахилом.
Компанія виробник «Промпривод» пропонує Вам купити редуктор В-125-31.5 високої якості та за найвигіднішою ціною. У разі виникнення труднощів у виборі обладнання або оформленні замовлення ви завжди можете звернутися за допомогою до наших менеджерів - замовивши зворотній дзвінок або залишивши заявку онлайн. Доставка здійснюється по всій Україні одразу після внесення оплати. Для постійних клієнтів та оптових покупців діє гнучка система знижок.
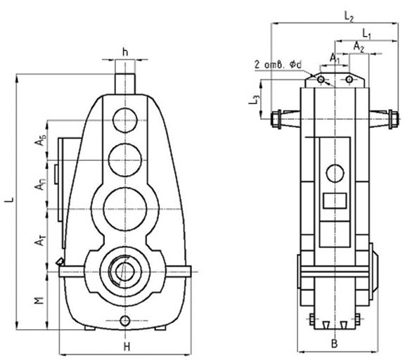
Схема габаритних і приєднувальних розмірів редуктора В-125-31.5

| Типорозмір редуктора | АБ | АП | АТ | А1 | А2 | В | Н | h | L | L1 | L2 | L3 | M | d |
| мм | ||||||||||||||
| В-125-31.5 | 80 | 125 | 125 | 80 | 60 | 170 | 316 | 60 | 545 | 153 | 325 | 71 | 125 | 14 |
Технічні характеристики редуктора В-125-31.5
| Тип | Номінальне передавальне число | Номінальний момент, що крутить, на вихідному валу при частоті обертання вхідного валу 1000 об/хв, Нм | ККД | Маса | |
| мін | макс | ||||
| В-125 | 31.5 | 406 | 1125 | 0,94 | 79 |
Варіанти складання редуктора В-125-31.5

Схема умовних позначень редуктора В-125-31.5

Редуктор В-125-31.5
Відгуків про цей товар ще не було.
Немає відгуків про цей товар, станьте першим, залиште свій відгук.
Немає питань про даний товар, станьте першим і задайте своє питання.