Редуктор В-125-40
Крановий редуктор В-125-40
Вертикальний циліндричний редуктор В-125-40 найчастіше використовують у механізмах пересування вантажопідйомного обладнання з метою зміни показників обертання електроприводів. Також може застосовуватись і в інших галузях промисловості.
Редуктор В-125-40 відноситься до категорії вертикальних і встановлюється у вертикальному положенні або під нахилом. Працює він як у повторно короткочасному режимі, так і в безперервному, але не довше 30 хв. Є надійним, довговічним та простим у застосуванні пристроєм.
Компанія виробник «Промпривод» пропонує Вам купити редуктор В-125-40 високої якості і за найвигіднішою ціною. При виникненні труднощів у виборі обладнання або оформленні замовлення ви завжди можете звернутися за допомогою до наших менеджерів - замовивши зворотній дзвінок або залишивши заявку онлайн. Доставка здійснюється по всій Україні одразу після внесення оплати. Для постійних клієнтів та оптових покупців діє гнучка система знижок.
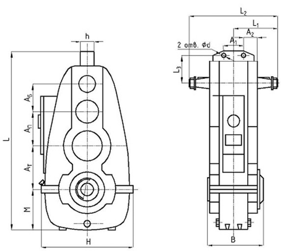
Схема габаритних і приєднувальних розмірів редуктора В-125-40

| Типорозмір редуктора | АБ | АП | АТ | А1 | А2 | В | Н | h | L | L1 | L2 | L3 | M | d |
| мм | ||||||||||||||
| В-125-40 | 80 | 125 | 125 | 80 | 60 | 170 | 316 | 60 | 545 | 153 | 325 | 71 | 125 | 14 |
Технічні характеристики редуктора В-125-40
| Тип | Номінальне передавальне число | Номінальний момент, що крутить, на вихідному валу при частоті обертання вхідного валу 1000 об/хв, Нм | ККД | Маса | |
| мін | макс | ||||
| В-125 | 40 | 406 | 1125 | 0,94 | 79 |
Варіанти складання редуктора В-125-40

Схема умовних позначень редуктора В-125-40

Редуктор В-125-40
Відгуків про цей товар ще не було.
Немає відгуків про цей товар, станьте першим, залиште свій відгук.
Немає питань про даний товар, станьте першим і задайте своє питання.