Редуктор В-160-16
Крановий редуктор В-160-16
Крановий редуктор В-160-16 виробляється в чавунному корпусі із застосуванням циліндричного типу передач. Він є триступінчастим і відноситься до категорії вертикальних редукторів. Призначений для використання в пересувних механізмах кранів.
Редуктор В-160-16 має міжосьову відстань 160 мм, яке передавальне число дорівнює 16i. Клімат може бути сухим, помірним і тропічним.
Придбати редуктор В-160-16 Ви можете на сайті компанії виробника «Промпривод» за найвигіднішою ціною. Ми пропонуємо тільки якісний товар, який пройшов усі необхідні випробування. Замовити виріб можна безпосередньо на сайті, заповнивши нескладну заявку. Якщо Вам потрібна кваліфікована допомога у підборі редуктора, Ви можете зателефонувати за номером, вказаним на сайті.
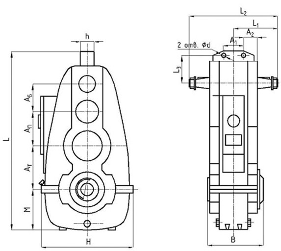
Схема габаритних і приєднувальних розмірів редуктора В-160-16

| Типорозмір редуктора | АБ | АП | АТ | А1 | А2 | В | Н | h | L | L1 | L2 | L3 | M | d |
| мм | ||||||||||||||
| В-160-16 | 100 | 160 | 160 | 80 | 75 | 230 | 390 | 80 | 692 | 180 | 360 | 92 | 160 | 18 |
Технічні характеристики редуктора В-160-16
| Тип | Номінальне передавальне число | Номінальний момент, що крутить, на вихідному валу при частоті обертання вхідного валу 1000 об/хв, Нм | ККД | Маса | |
| мін | макс | ||||
| В-160 | 16 | 750 | 2500 | 0,94 | 132 |
Варіанти складання редуктора В-160-16

Схема умовних позначень редуктора В-160-16

Редуктор В-160-16
Відгуків про цей товар ще не було.
Немає відгуків про цей товар, станьте першим, залиште свій відгук.
Немає питань про даний товар, станьте першим і задайте своє питання.