Редуктор В-160-20
Крановий редуктор В-160-20
Редуктор В-160-20 широко застосовується в підйомно-транспортній галузі як механізм для зміни числа обертів та крутного моменту приводів. Він є триступінчастим вертикальним пристроєм із застосуванням циліндричного типу передач.
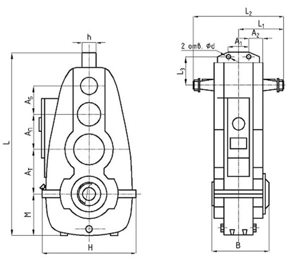
Крановий редуктор має можливість обертання валів у будь-якому напрямку та працює у повторно-короткочасному режимі. Детальні технічні характеристики та схему габаритних розмірів можна побачити нижче.
Купити крановий редуктор В-160-20 можна на нашому сайті компанії «Промпривод». Вам лише необхідно оформити замовлення онлайн або за допомогою нашого фахівця, зателефонувавши на номер вказаний на сайті.
Купуючи товар на нашому підприємстві, Ви отримуєте:
- паспорт до пристрою з гарантією 12 місяців;
- ціни нижчі за ринок на 3-10%;
- гнучку систему знижок;
- доставку до будь-якої точки України.
Схема габаритних і приєднувальних розмірів редуктора В-160-20

| Типорозмір редуктора | АБ | АП | АТ | А1 | А2 | В | Н | h | L | L1 | L2 | L3 | M | d |
| мм | ||||||||||||||
| В-160-20 | 100 | 160 | 160 | 80 | 75 | 230 | 390 | 80 | 692 | 180 | 360 | 92 | 160 | 18 |
Технічні характеристики редуктора В-160-20
| Тип | Номінальне передавальне число | Номінальний момент, що крутить, на вихідному валу при частоті обертання вхідного валу 1000 об/хв, Нм | ККД | Маса | |
| мін | макс | ||||
| В-160 | 20 | 750 | 2500 | 0,94 | 132 |
Варіанти складання редуктора В-160-20

Схема умовних позначень редуктора В-160-20

Редуктор В-160-20
Відгуків про цей товар ще не було.
Немає відгуків про цей товар, станьте першим, залиште свій відгук.
Немає питань про даний товар, станьте першим і задайте своє питання.