Редуктор В-160-25
Редуктор крановий В-160-25
Триступінчастий крановий редуктор є невід'ємною частиною багатьох приводів, які застосовуються у підйомно-транспортному устаткуванні. Принцип його дії – це зміни параметрів приводів, що обертають. Цей редуктор відноситься до категорії вертикальних і працює тільки в короткочасному режимі з максимальною тривалістю безперервної роботи 30 хв.
Редуктор В-160-25 виконаний у чавунному корпусі та є надійним, довговічним та простим у використанні.
Купити крановий редуктор В-160-25 можна на нашому сайті компанії «Промпривод» за ціною, нижчою від ринку на 3-10%. Вам лише потрібно оформити замовлення онлайн або за допомогою нашого фахівця, зателефонувавши на номер вказаний на сайті.
Купуючи товар на нашому підприємстві, Ви отримуєте продукцію після попередньої перевірки у ВТК. Гарантія якості обладнання 1 рік з моменту придбання. Доставка здійснюється по всій Україні в обумовлений термін. Для постійних клієнтів та оптових покупців діє гнучка система знижок.
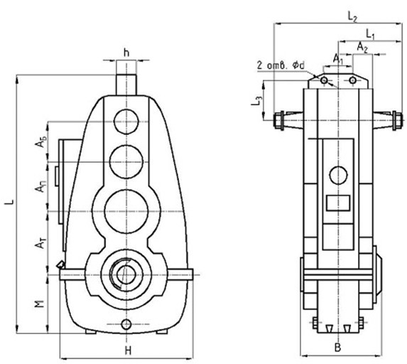
Схема габаритних і приєднувальних розмірів редуктора В-160-25

| Типорозмір редуктора | АБ | АП | АТ | А1 | А2 | В | Н | h | L | L1 | L2 | L3 | M | d |
| мм | ||||||||||||||
| В-160-25 | 100 | 160 | 160 | 80 | 75 | 230 | 390 | 80 | 692 | 180 | 360 | 92 | 160 | 18 |
Технічні характеристики редуктора В-160-25
| Тип | Номінальне передавальне число | Номінальний момент, що крутить, на вихідному валу при частоті обертання вхідного валу 1000 об/хв, Нм | ККД | Маса | |
| мін | макс | ||||
| В-160 | 25 | 750 | 2500 | 0,94 | 132 |
Варіанти складання редуктора В-160-25

Схема умовних позначень редуктора В-160-25

Редуктор В-160-25
Відгуків про цей товар ще не було.
Немає відгуків про цей товар, станьте першим, залиште свій відгук.
Немає питань про даний товар, станьте першим і задайте своє питання.