Редуктор В-160-31.5
Редуктор крановий В-160-31.5
Редуктор В-160-31.5 в основному використовується в підйомно-транспортному устаткуванні для зміни числа обертів і крутного моменту приводів. Є триступінчастим вертикальним пристроєм із циліндричним типом передачі.
Крановий редуктор В-160-31.5 виконаний у чавунному корпусі та працює в повторно-короткочасному режимі з безперервною роботою, що не перевищує 30 хв.
Придбати крановий редуктор В-160-31.5 можна на нашому сайті компанії «Промпривод» із гарантією якості 12 місяців. Вам лише потрібно оформити замовлення онлайн або за допомогою нашого фахівця, зателефонувавши на номер вказаний на сайті.
Купуючи товар, Ви отримуєте високу якість за ціною виробника, паспорт до пристрою та доставку в будь-яку точку України.
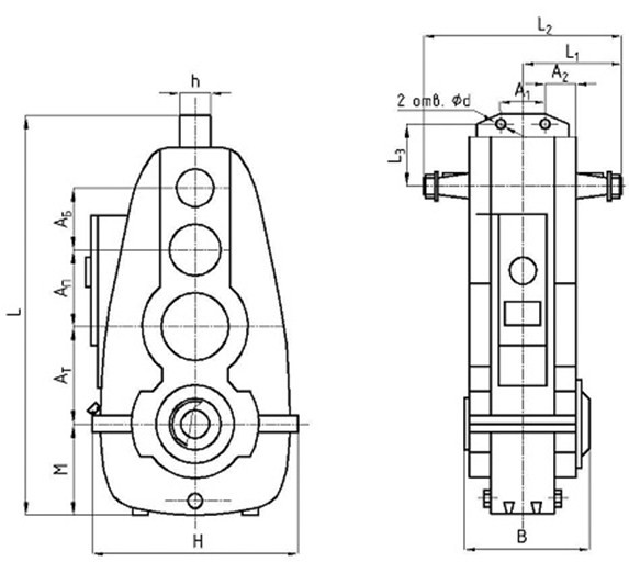
Схема габаритних і приєднувальних розмірів редуктора В-160-31.5

| Типорозмір редуктора | АБ | АП | АТ | А1 | А2 | В | Н | h | L | L1 | L2 | L3 | M | d |
| мм | ||||||||||||||
| В-160-31.5 | 100 | 160 | 160 | 80 | 75 | 230 | 390 | 80 | 692 | 180 | 360 | 92 | 160 | 18 |
Технічні характеристики редуктора В-160-31.5
| Тип | Номінальне передавальне число | Номінальний момент, що крутить, на вихідному валу при частоті обертання вхідного валу 1000 об/хв, Нм | ККД | Маса | |
| мін | макс | ||||
| В-160 | 31.5 | 750 | 2500 | 0,94 | 132 |
Варіанти складання редуктора В-160-31.5

Схема умовних позначень редуктора В-160-31.5

Редуктор В-160-31.5
Відгуків про цей товар ще не було.
Немає відгуків про цей товар, станьте першим, залиште свій відгук.
Немає питань про даний товар, станьте першим і задайте своє питання.