Редуктор В-160-40
Крановий редуктор В-160-40
Крановий редуктор В-160-40 широко застосовують у підйомно-транспортному устаткуванні зміни параметрів приводу. Його відносять до категорії вертикальних триступінчастих пристроїв. Корпус виконаний із чавуну, а маса становить 132 кг.
Редуктор В-160-40 працює у повторно короткочасному режимі. Рекомендується не використовувати його в агресивному та сильнозапиленому середовищі.
Купити крановий редуктор В-160-40 можна на нашому сайті компанії «Промпривод» оптом та в роздріб. Вам лише потрібно оформити замовлення онлайн або за допомогою нашого фахівця, зателефонувавши на номер вказаний на сайті.
Купуючи товар, Ви отримуєте не тільки високу якість за ціною виробника, але й паспорт до пристрою з гарантією 12 місяців. Доставка можлива у будь-яку точку України.
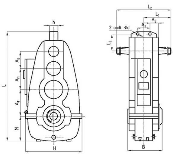
Схема габаритних і приєднувальних розмірів редуктора В-160-40

| Типорозмір редуктора | АБ | АП | АТ | А1 | А2 | В | Н | h | L | L1 | L2 | L3 | M | d |
| мм | ||||||||||||||
| В-160-40 | 100 | 160 | 160 | 80 | 75 | 230 | 390 | 80 | 692 | 180 | 360 | 92 | 160 | 18 |
Технічні характеристики редуктора В-160-40
| Тип | Номінальне передавальне число | Номінальний момент, що крутить, на вихідному валу при частоті обертання вхідного валу 1000 об/хв, Нм | ККД | Маса | |
| мін | макс | ||||
| В-160 | 40 | 812,5 | 2500 | 0,94 | 132 |
Варіанти складання редуктора В-160-40

Схема умовних позначень редуктора В-160-40

Редуктор В-160-40
Відгуків про цей товар ще не було.
Немає відгуків про цей товар, станьте першим, залиште свій відгук.
Немає питань про даний товар, станьте першим і задайте своє питання.