Редуктор В-160-50
Крановый редуктор В-160-50
Крановий редуктор В-160 з передавальним числом 50i відноситься до вертикальних триступінчастих пристроїв з циліндричним типом передачі. Він використовується в основному в підйомному обладнанні в парі з приводом і змінює кількість обертання і крутний момент.
Редуктор В-160-50 призначений для роботи у повторно короткочасному режимі. Вали мають властивість обертатися у будь-якому напрямку. Детальні характеристики та габаритні розміри вказані на сайті нижче.
Придбати крановий редуктор В-160-50 можна на нашому сайті компанії «Промпривод» за низькою ціною. Вам лише потрібно оформити замовлення онлайн або за допомогою нашого фахівця, зателефонувавши на номер вказаний на сайті.
Купуючи товар, Ви отримуєте не тільки високу якість за ціною виробника, але й паспорт до пристрою з гарантією 12 місяців. Доставка можлива у будь-яку точку України.
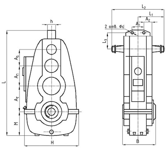
Схема габаритних і приєднувальних розмірів редуктора В-160-50

| Типорозмір редуктора | АБ | АП | АТ | А1 | А2 | В | Н | h | L | L1 | L2 | L3 | M | d |
| мм | ||||||||||||||
| В-160-50 | 100 | 160 | 160 | 80 | 75 | 230 | 390 | 80 | 692 | 180 | 360 | 92 | 160 | 18 |
Технічні характеристики редуктора В-160-50
| Тип | Номінальне передавальне число | Номінальний момент, що крутить, на вихідному валу при частоті обертання вхідного валу 1000 об/хв, Нм | ККД | Маса | |
| мін | макс | ||||
| В-160 | 50 | 812,5 | 2500 | 0,94 | 132 |
Варіанти складання редуктора В-160-50

Схема умовних позначень редуктора В-160-50

Редуктор В-160-50
Відгуків про цей товар ще не було.
Немає відгуків про цей товар, станьте першим, залиште свій відгук.
Немає питань про даний товар, станьте першим і задайте своє питання.