Редуктор В-200
Редуктор В-200
Редуктори циліндричні триступеневі вертикальні кранові В-200, призначені для експлуатації у вертикальному та похилому положенні на механізмах пересування кранів і кранових візків. Розраховані на застосування під час навантаження постійно і змінною одного напрямку та реверсивний. Передбачена робота з періодичними зупинками (повторно-кратковремний режим).
Переваги роботи з нами
1. Максимально швидке відвантаження — завжди в заявлений термін.
2. Досвідчені фахівці.
3. Товар чудової якості.
4. Гарантія на кожну покупку.
5. Вигідні ціни.
6. Відправимо замовлення будь-яким перевезенням, за Харковом доставимо власним транспортом.
Умови застосування редуктора В-200
- обертання валів у обидві сторони;
- температура зовнішнього середовища від -400С до +500З;
- неагресивне середовище, помірна запиленість і вологість;
- частота обертання швидкохідного вала не має перевищувати 1000 об/хв;
- атмосфера типів I і II за ГОСТ 15150-69 за запиленості повітря не більш ніж 10 мг/м3;
- експлуатація в макрокаматичних районах із помірним (У), сухим і вологим тропічним (Т) кліматом, категорія розміщення 2 за ГОСТ15150-69.
Замовте циліндричний редуктор В-200 у нас і ми максимально швидко доставимо його в будь-який регіон України.

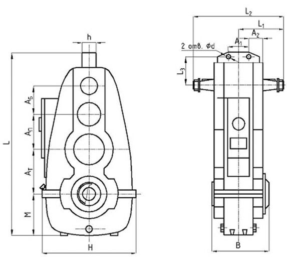
Габаритні розміри В-200
| Типорозмір редуктора | АБ | АП | АТ | А1 | А2 | В | Н | h | L | L1 | L2 | L3 | M | d |
| мм | ||||||||||||||
| В-200 | 125 | 160 | 200 | 100 | 67 | 277 | 450 | 70 | 825 | 210 | 420 | 130 | 190 | 22 |
Таблиця залежно від крутного моменту від передавального числа в редукторі В-200
| Тип | Номінальне передавальне число | Номінальний крутний момент на вихідному валу за частоти обертання вхідного вала 1000 об./хв, Нм | ККД | Маса | |
| хв | макс | ||||
| В-200 | 10;12,5 | 1375 | 3750 | 0,94 | 200 |
| 16;20 | 1500 | 4000 | |||
| 25;31,5 | 1625 | 4500 | |||
| 40;50 | 1375 | 5000 | |||
| 63 | 1500 | ||||
| 80;100 | 1625 | ||||
Варіанти складання редуктора В-200

Редуктор В-200
Відгуків про цей товар ще не було.
Немає відгуків про цей товар, станьте першим, залиште свій відгук.
Немає питань про даний товар, станьте першим і задайте своє питання.