Редуктор В-200-10
Редуктор крановий В-200-10
Крановий редуктор з циліндричним типом передачі і вертикальним розміщенням В-200 є механізмом, метою якого є зміна моменту, що крутить, і швидкості обертів різних приводів використовуються в пристроях пересувних кранів. У конструкції редуктора використовує тип циліндричний передачі. Його вага 200 кг.
Редуктор В-200-10 має низку умов для його експлуатації:
- обертання вхідного валу не перевищувати 1000 об/хв,
- температура експлуатації від -40 до +50 градусів Цельсія,
- неагресивне середовище із запиленістю не більше 10 мг/м3,
- обертання валів у будь-якому напрямку.
Придбати крановий редуктор В-200-10 можна на нашому сайті компанії «Промпривод». Вам лише потрібно оформити замовлення онлайн або за допомогою нашого фахівця, зателефонувавши на номер вказаний на сайті.
Купуючи товар, Ви отримуєте не тільки високу якість за ціною виробника, але й паспорт до пристрою з гарантією 36 місяців. Доставка можлива у будь-яку точку України.
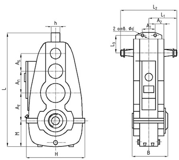
Схема габаритних і приєднувальних розмірів редуктора В-200-10

| Типорозмір редуктора | АБ | АП | АТ | А1 | А2 | В | Н | h | L | L1 | L2 | L3 | M | d |
| мм | ||||||||||||||
| В-200-10 | 125 | 160 | 200 | 100 | 67 | 277 | 450 | 70 | 825 | 210 | 420 | 130 | 190 | 22 |
Технічні характеристики редуктора В-200-10
| Тип | Номінальне передавальне число | Номінальний момент, що крутить, на вихідному валу при частоті обертання вхідного валу 1000 об/хв, Нм | ККД | Маса | |
| мін | макс | ||||
| В-200 | 10 | 1375 | 3750 | 0,94 | 200 |
Варіанти складання редуктора В-200-10

Схема умовних позначень редуктора В-200-10

Редуктор В-200-10
Відгуків про цей товар ще не було.
Немає відгуків про цей товар, станьте першим, залиште свій відгук.
Немає питань про даний товар, станьте першим і задайте своє питання.