Редуктор В-200-12.5
Крановий редуктор В-200-12.5
Триступінчастий редуктор В-200-12.5 відносять до категорії вертикальних та використовують у конструкціях для пересування підйомних пристроїв. Корпус редуктора виконаний з чавуну, а механізмі застосований циліндричний тип передачі.
Редуктор В-200-12.5 працює в періодично короткочасному режимі з максимальною безперервною роботою до 30 хв. Вали мають можливість обертання у будь-якому напрямку. Температура навколишнього середовища має бути в межах від -40 до +50 градусів за Цельсієм.
Придбати крановий редуктор В-200-12.5 можна на нашому сайті компанії «Промпривод». Вам лише потрібно оформити замовлення онлайн або за допомогою нашого фахівця, зателефонувавши на номер вказаний на сайті.
Купуючи товар, Ви отримуєте не тільки високу якість за ціною виробника, але й паспорт до пристрою з гарантією 12 місяців. Доставка можлива у будь-яку точку України.
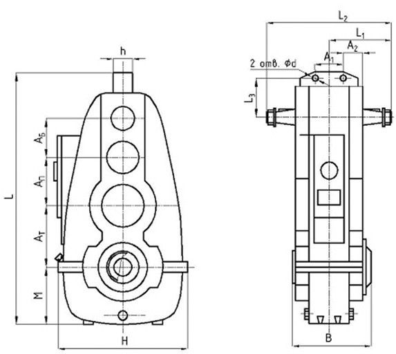
Схема габаритних і приєднувальних розмірів редуктора В-200-12.5

| Типорозмір редуктора | АБ | АП | АТ | А1 | А2 | В | Н | h | L | L1 | L2 | L3 | M | d |
| мм | ||||||||||||||
| В-200-12.5 | 125 | 160 | 200 | 100 | 67 | 277 | 450 | 70 | 825 | 210 | 420 | 130 | 190 | 22 |
Технічні характеристики редуктора В-200-12.5
| Тип | Номінальне передавальне число | Номінальний момент, що крутить, на вихідному валу при частоті обертання вхідного валу 1000 об/хв, Нм | ККД | Маса | |
| мін | макс | ||||
| В-200 | 12.5 | 1375 | 3750 | 0,94 | 200 |
Варіанти збирання редуктора В-200-12.5

Схема умовних позначень редуктора В-200-12.5

Редуктор В-200-12.5
Відгуків про цей товар ще не було.
Немає відгуків про цей товар, станьте першим, залиште свій відгук.
Немає питань про даний товар, станьте першим і задайте своє питання.