Редуктор В-200-16
Крановий редуктор В-200-16
Крановий редуктор В-200-16 надійний та довговічний механізм застосовують у конструкціях для пересування підйомних кранів. Він використовується в парі з приводом і змінює його крутний момент та кількість обертів.
Редуктор В-200-16 належать до категорії вертикальних пристроїв. Працює у повторно-короткочасному режимі. Експлуатується він у сухому, помірному чи тропічному кліматі за температури від -40 до +50 градусів Цельсія.
Корпус виконаний із чавуну, а його маса становить 200 кг.
Придбати крановий редуктор В-200-16 можна на нашому сайті компанії «Промпривод» за доступною ціною. Вам лише потрібно оформити замовлення онлайн або за допомогою нашого фахівця, зателефонувавши на номер вказаний на сайті.
Купуючи товар, Ви отримуєте не тільки високу якість за ціною виробника, але й паспорт до пристрою з гарантією 12 місяців. Доставка можлива у будь-яку точку України.
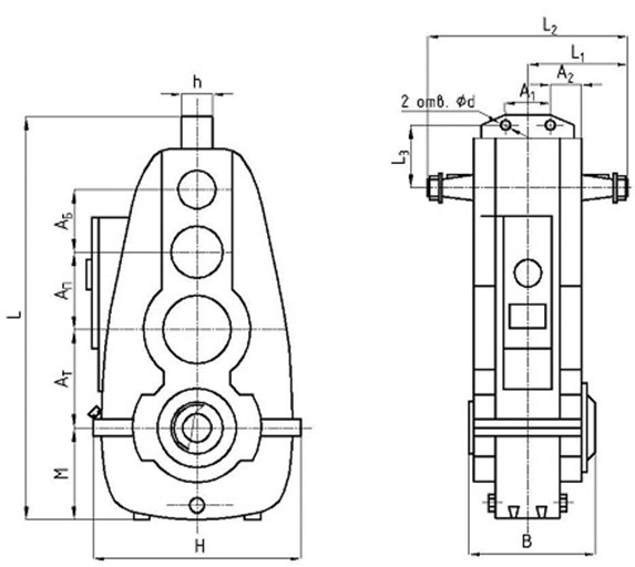
Схема габаритних і приєднувальних розмірів редуктора В-200-16

| Типорозмір редуктора | АБ | АП | АТ | А1 | А2 | В | Н | h | L | L1 | L2 | L3 | M | d |
| мм | ||||||||||||||
| В-200-16 | 125 | 160 | 200 | 100 | 67 | 277 | 450 | 70 | 825 | 210 | 420 | 130 | 190 | 22 |
Технічні характеристики редуктора В-200-10
| Тип | Номінальне передавальне число | Номінальний момент, що крутить, на вихідному валу при частоті обертання вхідного валу 1000 об/хв, Нм | ККД | Маса | |
| мін | макс | ||||
| В-200 | 16 | 1500 | 4000 | 0,94 | 200 |
Варіанти складання редуктора В-200-16

Схема умовних позначень редуктора В-200-16

Редуктор В-200-16
Відгуків про цей товар ще не було.
Немає відгуків про цей товар, станьте першим, залиште свій відгук.
Немає питань про даний товар, станьте першим і задайте своє питання.