Редуктор В-200-40
Крановий редуктор В-200-40
Крановий редуктор з міжосьовою відстанню 200 мм і з передавальним числом 40i В-200-40 застосовують у конструкціях пересування кранових установок. Його завдання полягає у зміні крутного моменту та числа оборотів приводів. Працює в повторно короткочасному режимі з безперервною роботою не більше 30 хв.
Редуктор В-200-40 експлуатується в сухому, тропічному та помірному кліматі при температурі -40…+50 градусів Цельсія.
Придбати крановий редуктор В-200-40 можна на нашому сайті компанії «Промпривод» за низькою ціною. Вам лише необхідно оформити замовлення онлайн або за допомогою нашого фахівця, зателефонувавши на номер вказаний на сайті.
Купуючи товар, Ви отримуєте не тільки високу якість за ціною виробника, але й паспорт до пристрою з гарантією 12 місяців. Доставка можлива у будь-яку точку України.
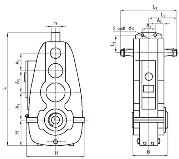
Схема габаритних і приєднувальних розмірів редуктора В-200-40

| Типорозмір редуктора | АБ | АП | АТ | А1 | А2 | В | Н | h | L | L1 | L2 | L3 | M | d |
| мм | ||||||||||||||
| В-200-40 | 125 | 160 | 200 | 100 | 67 | 277 | 450 | 70 | 825 | 210 | 420 | 130 | 190 | 22 |
Технічні характеристики редуктора В-200-40
| Тип | Номінальне передавальне число | Номінальний момент, що крутить, на вихідному валу при частоті обертання вхідного валу 1000 об/хв, Нм | ККД | Маса | |
| мін | макс | ||||
| В-200 | 40 | 1375 | 5000 | 0,94 | 200 |
Варіанти складання редуктора В-200-40

Схема умовних позначень редуктора В-200-40

Редуктор В-200-40
Відгуків про цей товар ще не було.
Немає відгуків про цей товар, станьте першим, залиште свій відгук.
Немає питань про даний товар, станьте першим і задайте своє питання.