Редуктор В-200-50
Крановий редуктор В-200-50
Вертикальний крановий редуктор В-200-50 виготовляють з циліндричним типом передачі та використовують у конструкціях пересування підйомних кранів. Його завданням є зменшення кількості обертів і збільшення моменту приводів, що крутить. Дуже надійний та довговічний, а також дуже простий у використанні.
Редуктор В-200-50 експлуатується за температури від -40 до +50 градусів Цельсія. Максимальна швидкість на вхідному валу не повинна перевищувати 1000 об/хв. Працює у повторно-короткочасному режимі.
Придбати крановий редуктор В-200-50 можна на нашому сайті компанії «Промпривод». Вам лише потрібно оформити замовлення онлайн або за допомогою нашого фахівця, зателефонувавши на номер вказаний на сайті.
Купуючи товар, Ви отримуєте не тільки високу якість за ціною виробника, але й паспорт до пристрою з гарантією 12 місяців. Доставка можлива у будь-яку точку України.
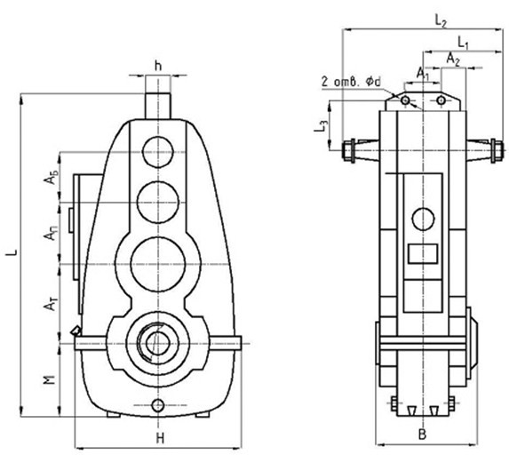
Схема габаритних і приєднувальних розмірів редуктора В-200-50

| Типорозмір редуктора | АБ | АП | АТ | А1 | А2 | В | Н | h | L | L1 | L2 | L3 | M | d |
| мм | ||||||||||||||
| В-200-50 | 125 | 160 | 200 | 100 | 67 | 277 | 450 | 70 | 825 | 210 | 420 | 130 | 190 | 22 |
Технічні характеристики редуктора В-200-50
| Тип | Номінальне передавальне число | Номінальний момент, що крутить, на вихідному валу при частоті обертання вхідного валу 1000 об/хв, Нм | ККД | Маса | |
| мін | макс | ||||
| В-200 | 50 | 1375 | 5000 | 0,94 | 200 |
Варіанти складання редуктора В-200-50

Схема умовних позначень редуктора В-200-50

Редуктор В-200-50
Відгуків про цей товар ще не було.
Немає відгуків про цей товар, станьте першим, залиште свій відгук.
Немає питань про даний товар, станьте першим і задайте своє питання.