Редуктор В-250
Редуктор В-250
Редуктори циліндричні триступеневі вертикальні кранові В-250 вирізняються високим коефіцієнтом корисної дії, мають підвищену навантаження. Вони в стані практично без втрат передавати великі потужності. Большое кількість варіантів зубчастих передач дає змогу підібрати найвідповідніший редуктор для необхідного передавального руху.
Переваги роботи з нами
1. Максимально швидке відвантаження — завжди в заявлений термін.
2. Досвідчені фахівці.
3. Товар чудової якості.
4. Гарантія на кожну покупку.
5. Вигідні ціни.
6. Відправимо замовлення будь-яким перевезенням, за Харковом доставимо власним транспортом.
Умови застосування редуктора В-250
- обертання валів у обидві сторони;
- температура зовнішнього середовища від -400С до +500З;
- неагресивне середовище, помірна запиленість і вологість;
- частота обертання швидкохідного вала не має перевищувати 1000 об/хв;
- атмосфера типів I і II за ГОСТ 15150-69 за запиленості повітря не більш ніж 10 мг/м3;
- експлуатація в макрокаматичних районах із помірним (У), сухим і вологим тропічним (Т) кліматом, категорія розміщення 2 за ГОСТ15150-69.
Замовте циліндричний редуктор В-250 у нас і ми максимально швидко доставимо його в будь-який регіон України.

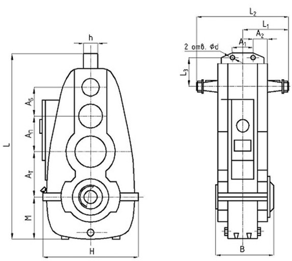
Габаритні розміри В-250
| Типорозмір редуктора | АБ | АП | АТ | А1 | А2 | В | Н | h | L | L1 | L2 | L3 | M | d |
| мм | ||||||||||||||
| В-250 | 160 | 200 | 250 | 120 | 79 | 322 | 552 | 80 | 1015 | 240 | 480 | 137.5 | 240 | 22 |
Таблиця залежно від крутного моменту від передавального числа в редукторі В-250
| Тип | Номінальне передавальне число | Номінальний крутний момент на вихідному валу за частоти обертання вхідного вала 1000 об./хв, Нм | ККД | Маса |
| В-200 | 10;12,5; 16;20; 25;31,5; 40;50; 63; 80;100 | 2750 … 10000 | 0,94 | 360 |
Варіанти складання редуктора В-250

Редуктор В-250
Відгуків про цей товар ще не було.
Немає відгуків про цей товар, станьте першим, залиште свій відгук.
Немає питань про даний товар, станьте першим і задайте своє питання.