Редуктор В-250-10
Крановий редуктор В-250-10
Редуктор В-250-10 застосовується для зміни параметрів приводів пересування кранів. В їх конструкції застосований циліндричний тип передавання, а їхнє розташування вертикальне.
Крановий редуктор В-250-10 рекомендують експлуатувати за температури від -40...+50 градусів Цельсія. Запиленість повітря не має перевищувати 10 мг/м3.
Купити крановий редуктор В-250-10 можна на нашому сайті. Вам усього лише потрібно оформити замовлення онлайн або за допомогою нашого фахівця, зателефонувавши на номер вказаний на сайті.
Купуючи товар, Ви отримуєте не тільки високу якість за ціною виробника, але й паспорт до пристрою з гарантією 36 місяців.
Доставка можлива в будь-яку точку України.
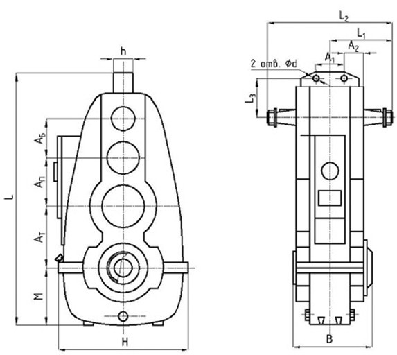
Схема габаритних і приєднувальних розмірів редуктора В-250-10

| Типорозмір редуктора | АБ | АП | АТ | А1 | А2 | В | Н | h | L | L1 | L2 | L3 | M | d |
| мм | ||||||||||||||
| В-250-10 | 160 | 200 | 250 | 120 | 79 | 322 | 552 | 80 | 1015 | 240 | 480 | 137.5 | 240 | 22 |
Технічні характеристики редуктора В-250-10
| Тип | Номінальне передавальне число | Номінальний крутний момент на вихідному валу за частоти обертання вхідного вала 1000 об./хв, Нм | ККД | Маса |
| В-200 | 10 | 2750 … 10000 | 0,94 | 360 |
Варіанти складання редуктора В-250-10

Редуктор В-250-10
Відгуків про цей товар ще не було.
Немає відгуків про цей товар, станьте першим, залиште свій відгук.
Немає питань про даний товар, станьте першим і задайте своє питання.