Редуктор В-250-100
Крановий редуктор В-250-100
Крановий редуктор В-250-100 є триступінчастим вертикальним пристроєм з циліндричним типом передачі. Він широко застосовується в системах для пересування кранів з метою зміни параметрів обертання приводів. Працює у повторно-короткочасному режимі.
Редуктор В-250-100 виконується з міжосьовою відстанню 250 мм та передатним числом 100i. Корпус його виготовлений із чавуну, а загальна маса дорівнює 360 кг.
Купити крановий редуктор В-250-100 можна на нашому сайті компанії «Промпривод». Вам лише потрібно оформити замовлення онлайн або за допомогою нашого фахівця, зателефонувавши на номер вказаний на сайті.
Купуючи товар, Ви отримуєте не тільки високу якість за ціною виробника, але й паспорт до пристрою з гарантією 12 місяців. Доставка можлива у будь-яку точку України. Для постійних клієнтів та оптових покупців діє гнучка система знижок.
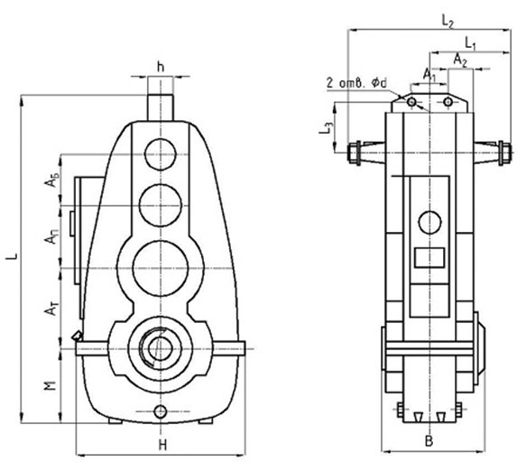
Схема габаритних і приєднувальних розмірів редуктора В-250-100

| Типорозмір редуктора | АБ | АП | АТ | А1 | А2 | В | Н | h | L | L1 | L2 | L3 | M | d |
| мм | ||||||||||||||
| В-250-100 | 160 | 200 | 250 | 120 | 79 | 322 | 552 | 80 | 1015 | 240 | 480 | 137.5 | 240 | 22 |
Технічні характеристики редуктора В-250-100
| Тип | Номінальне передавальне число | Номінальний момент, що крутить, на вихідному валу при частоті обертання вхідного валу 1000 об./хв, Нм | ККД | Маса |
| В-250 | 100 | 2750 … 10000 | 0,94 | 360 |
Варіанти складання редуктора В-250-100

Схема умовних позначень редуктора В-250-100

Редуктор В-250-100
Відгуків про цей товар ще не було.
Немає відгуків про цей товар, станьте першим, залиште свій відгук.
Немає питань про даний товар, станьте першим і задайте своє питання.