Редуктор В-250-12.5
Крановий редуктор В-250-12.5
Циліндричний редуктор В-250-12.5 є надійним, довговічним і простим у застосуванні пристроєм. Його застосовують найчастіше у механізмах пересування кранового обладнання з метою зміни параметрів обертання електроприводів. Встановлюється він у конструкції у вертикальному положенні або під нахилом.
Редуктор В-250-12.5 має міжосьову відстань 250 мм і передавальне число 12.5i. Він може працювати в безперервному та повторно-короткочасному режимі з обертанням валів у будь-якому напрямку.
Придбати редуктор В-250-12.5 Ви можете на сайті компанії виробника «Промпривод» за найвигіднішою ціною. Ми пропонуємо тільки якісний товар, який пройшов усі необхідні випробування. Якщо Вам потрібна кваліфікована допомога у підборі редуктора, Ви можете зателефонувати за номером, вказаним на сайті.
Купуючи товар на нашому підприємстві, Ви отримуєте паспорт із докладними характеристиками та відмітками ВТК, а також гарантію 12 місяців. Доставка виконується у максимально короткі терміни у всі регіони України. Для постійних клієнтів та оптових покупців діє гнучка система знижок.
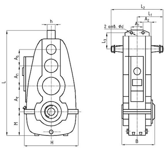
Схема габаритних і приєднувальних розмірів редуктора В-250-12.5

| Типорозмір редуктора | АБ | АП | АТ | А1 | А2 | В | Н | h | L | L1 | L2 | L3 | M | d |
| мм | ||||||||||||||
| В-250-12.5 | 160 | 200 | 250 | 120 | 79 | 322 | 552 | 80 | 1015 | 240 | 480 | 137.5 | 240 | 22 |
Технічні характеристики редуктора В-250-12.5
| Тип | Номінальне передавальне число | Номінальний момент, що крутить, на вихідному валу при частоті обертання вхідного валу 1000 об/хв, Нм | ККД | Маса |
| В-250 | 12.5 | 2750 … 10000 | 0,94 | 360 |
Варіанти складання редуктора В-250-12.5

Схема умовних позначень редуктора В-250-12.5

Редуктор В-250-12.5
Відгуків про цей товар ще не було.
Немає відгуків про цей товар, станьте першим, залиште свій відгук.
Немає питань про даний товар, станьте першим і задайте своє питання.