Редуктор В-250-20
Редуктор крановий В-250-20
Циліндричний редуктор В-250-20 дуже надійний, довговічний, а також простий у застосуванні. Основна сфера його експлуатації – це механізми пересування вантажопідіймальних кранів та візків. Він встановлюється з редуктором та змінює його параметри обертання до необхідних.
Працює редуктор В-250-20 однаково добре як у повторно-короткочасному режимі, так і в безперервному режимі, але не більше 30 хвилин. Застосовуватись він може у різних кліматичних умовах за температури -40…+50 градусів Цельсія. Для збільшення терміну експлуатації рекомендовано не використовувати цей редуктор в агресивному та сильнозапиленому середовищі.
Придбати редуктор В-250-20 Ви можете на сайті компанії виробника «Промпривод» за найвигіднішою ціною. Ми пропонуємо тільки якісний товар, який пройшов усі необхідні випробування.
Замовити виріб можна безпосередньо на сайті, залишивши заявку онлайн. Якщо Вам потрібна кваліфікована допомога у підборі редуктора, Ви можете зателефонувати за номером, вказаним на сайті. При покупці Ви також отримуєте паспорт з детальними характеристиками та відмітками ВТК, а також гарантію 12 місяців. Доставка виконується у максимально короткі терміни у всі регіони України.
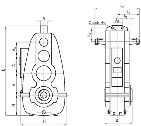
Схема габаритних і приєднувальних розмірів редуктора В-250-20

| Типорозмір редуктора | АБ | АП | АТ | А1 | А2 | В | Н | h | L | L1 | L2 | L3 | M | d |
| мм | ||||||||||||||
| В-250-20 | 160 | 200 | 250 | 120 | 79 | 322 | 552 | 80 | 1015 | 240 | 480 | 137.5 | 240 | 22 |
Технічні характеристики редуктора В-250-10
| Тип | Номінальне передавальне число | Номінальний момент, що крутить, на вихідному валу при частоті обертання вхідного валу 1000 об/хв, Нм | ККД | Маса |
| В-250 | 20 | 2750 … 10000 | 0,94 | 360 |
Варіанти складання редуктора В-250-20

Схема умовних позначень редуктора В-250-20

Редуктор В-250-20
Відгуків про цей товар ще не було.
Немає відгуків про цей товар, станьте першим, залиште свій відгук.
Немає питань про даний товар, станьте першим і задайте своє питання.