Редуктор В-250-25
Крановий редуктор В-250-25
Крановий редуктор В-250-25 – це механізм, призначений для зміни показників числа обертів і моменту приводів, що крутять, які застосовуються в установках пересування підйомних кранів. Також можуть використовуватись і в інших промислових напрямках.
Редуктор В-250-25 працює у повторно короткочасному режимі. Максимальна тривалість роботи без зупинок не повинна перевищувати 30 хв. Має високий показник ККД.
Купити крановий редуктор В-250-20 можна на нашому сайті компанії «Промпривод» за доступною ціною. Вам лише необхідно оформити замовлення онлайн або за допомогою нашого фахівця, зателефонувавши на номер вказаний на сайті.
Купуючи товар на нашому підприємстві, Ви отримуєте не лише високу якість за ціною виробника, а й паспорт до пристрою з гарантією 12 місяців. Доставка можлива у будь-яку точку України. Ціни нижчі за ринок на 3-10%. Вся продукція відповідає стандарту ГОСТ та проходить попередню перевірку у ВТК.
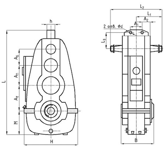
Схема габаритних і приєднувальних розмірів редуктора В-250-25

| Типорозмір редуктора | АБ | АП | АТ | А1 | А2 | В | Н | h | L | L1 | L2 | L3 | M | d |
| мм | ||||||||||||||
| В-250-25 | 160 | 200 | 250 | 120 | 79 | 322 | 552 | 80 | 1015 | 240 | 480 | 137.5 | 240 | 22 |
Технічні характеристики редуктора В-250-25
| Тип | Номінальне передавальне число | Номінальний момент, що крутить, на вихідному валу при частоті обертання вхідного валу 1000 об./хв, Нм | ККД | Маса |
| В-250 | 25 | 2750 … 10000 | 0,94 | 360 |
Варіанти складання редуктора В-250-25

Схема умовних позначень редуктора В-250-25
Редуктор В-250-25
Відгуків про цей товар ще не було.
Немає відгуків про цей товар, станьте першим, залиште свій відгук.
Немає питань про даний товар, станьте першим і задайте своє питання.
