Редуктор В-250-31.5
Редуктор крановий В-250-31.5
Циліндричний редуктор В-250-31.5 є надійним і простим у використанні пристроєм. Його застосовують у механізмах пересування вантажопідіймального обладнання з метою зміни параметрів обертання приводів. У зв'язку з основним напрямом його застосування він називається крановим редуктором.
Редуктор В-250-31.5 має можливість працювати в двох режимах:
- безперервному (не більше 30 хвилин),
- повторно-короткочасному.
Вали його можуть обертатися у будь-якому напрямку за різних типів навантаження.
Придбати редуктор В-250-31.5 Ви можете на сайті компанії виробника «Промпривод» за найвигіднішою ціною. Ми пропонуємо тільки якісний товар, який пройшов усі необхідні випробування. Замовити виріб можна безпосередньо на сайті, залишивши заявку онлайн.
Купуючи товар на нашому підприємстві, Ви отримуєте паспорт із докладними характеристиками та відмітками ВТК, а також гарантію 12 місяців. Доставка здійснюється у максимально короткі терміни у всі регіони України. Для постійних клієнтів та оптових покупців діє гнучка система знижок.
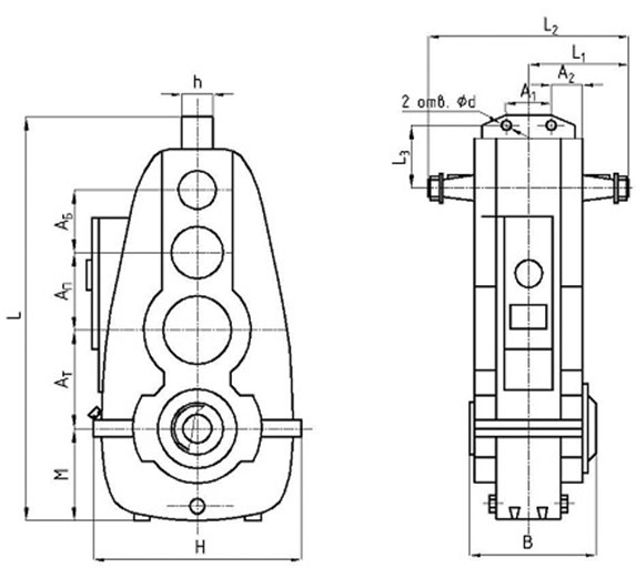
Схема габаритних і приєднувальних розмірів редуктора В-250-31.5

| Типорозмір редуктора | АБ | АП | АТ | А1 | А2 | В | Н | h | L | L1 | L2 | L3 | M | d |
| мм | ||||||||||||||
| В-250-31.5 | 160 | 200 | 250 | 120 | 79 | 322 | 552 | 80 | 1015 | 240 | 480 | 137.5 | 240 | 22 |
Технічні характеристики редуктора В-250-31.5
| Тип | Номінальне передавальне число | Номінальний момент, що крутить, на вихідному валу при частоті обертання вхідного валу 1000 об/хв, Нм | ККД | Маса |
| В-250 | 31.5 | 2750 … 10000 | 0,94 | 360 |
Варіанти складання редуктора В-250-31.5

Схема умовних позначень редуктора В-250-31.5
Редуктор В-250-31.5
Відгуків про цей товар ще не було.
Немає відгуків про цей товар, станьте першим, залиште свій відгук.
Немає питань про даний товар, станьте першим і задайте своє питання.
