Редуктор В-250-40
Крановый редуктор В-250-40
Редуктор В-250-40 відноситься до категорії кранових і використовується в пристроях пересування кранів для зміни числа обертів і крутного моменту приводу. Працює в повторно короткочасному режимі.
Механізм В-250-40 експлуатується у сухому, помірному та тропічному кліматі. Рекомендується не застосовувати його в агресивній среде.
Купити крановий редуктор В-250-40 можна на нашому сайті компанії «Промпривод», замовивши зворотний дзвінок або заповнивши форму онлайн.
Купуючи товар на нашому підприємстві, Ви отримуєте ціни нижче за ринок на 3-10%. Доставка здійснюється по всіх регіонах України після внесення оплати. Гарантія якості на озброєння - 1 рік з моменту придбання. Вся продукція постачається після попередньої перевірки у ОТК.
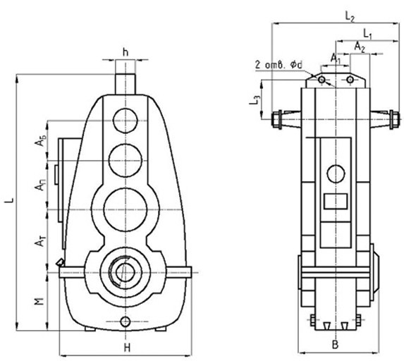
Схема габаритних і приєднувальних розмірів редуктора В-250-40

| Типорозмір редуктора | АБ | АП | АТ | А1 | А2 | В | Н | h | L | L1 | L2 | L3 | M | d |
| мм | ||||||||||||||
| В-250-40 | 160 | 200 | 250 | 120 | 79 | 322 | 552 | 80 | 1015 | 240 | 480 | 137.5 | 240 | 22 |
Технічні характеристики редуктора В-250-40
| Тип | Номінальне передавальне число | Номінальний момент, що крутить, на вихідному валу при частоті обертання вхідного валу 1000 об/хв, Нм | ККД | Маса |
| В-250 | 40 | 2750 … 10000 | 0,94 | 360 |
Варіанти складання редуктора В-250-40

Схема умовних позначень редуктора В-250-40
Редуктор В-250-40
Відгуків про цей товар ще не було.
Немає відгуків про цей товар, станьте першим, залиште свій відгук.
Немає питань про даний товар, станьте першим і задайте своє питання.
