Редуктор В-250-50
Крановий редуктор В-250-50
Циліндричний редуктор В-250-50 призначений для зміни параметрів обертання електроприводів, які використовуються в механізмах вантажопідйомного обладнання та візків. Він встановлюється у вертикальному положенні або під нахилом.
Конструкційно редуктор В-250-50 складається з триступінчастого механізму з паралельно розташованими осями. Все це розташоване у чавунному корпусі. При бажанні матеріал корпусу можна змінити.
Працює В-250-50 у двох режимах, це:
- повторно-короткочасному,
- безперервному, але не довше 30 хвилин.
Придбати редуктор В-250-50 Ви можете на сайті компанії-виробника «Промпривод» за найвигіднішою ціною. Ми пропонуємо тільки якісний товар, який пройшов усі необхідні випробування. Замовити виріб можна безпосередньо на сайті, заповнивши нескладну заявку. При покупці Ви також отримуєте паспорт з детальними характеристиками та відмітками ВТК, а також гарантію 12 місяців. Доставка виконується у максимально короткі терміни у всі регіони України.
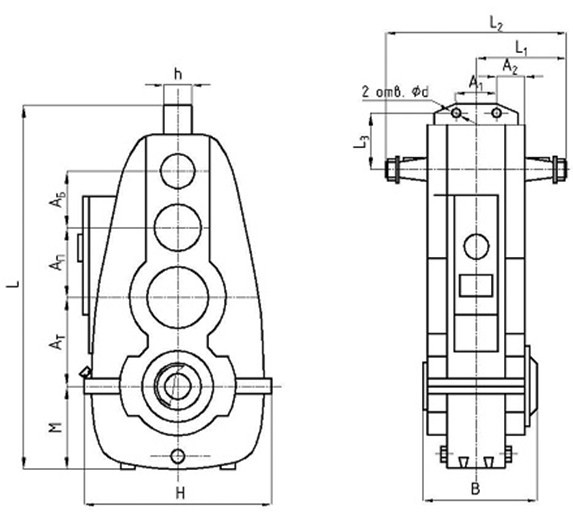
Схема габаритних і приєднувальних розмірів редуктора В-250-50

| Типорозмір редуктора | АБ | АП | АТ | А1 | А2 | В | Н | h | L | L1 | L2 | L3 | M | d |
| мм | ||||||||||||||
| В-250-50 | 160 | 200 | 250 | 120 | 79 | 322 | 552 | 80 | 1015 | 240 | 480 | 137.5 | 240 | 22 |
Технічні характеристики редуктора В-250-50
| Тип | Номінальне передавальне число | Номінальний момент, що крутить, на вихідному валу при частоті обертання вхідного валу 1000 об./хв, Нм | ККД | Маса |
| В-250 | 50 | 2750 … 10000 | 0,94 | 360 |
Варіанти складання редуктора В-250-50

Схема умовних позначень редуктора В-250-50

Редуктор В-250-50
Відгуків про цей товар ще не було.
Немає відгуків про цей товар, станьте першим, залиште свій відгук.
Немає питань про даний товар, станьте першим і задайте своє питання.