Редуктор В-250-63
Крановий редуктор В-250-63
Триступінчастий редуктор В-250-63 відноситься до класу кранових та має циліндричний тип передачі. Працює у повторно-короткочасному режимі та призначений для зміни числа обертів та крутного моменту приводів, що входять до складу обладнання підйомних кранів.
Редуктор В-250-63 експлуатується за температури від -40 до +50 градусів Цельсія. Корпус виконаний із чавуну. Маса складає 360 кг. Докладніші характеристики вказані в таблиці нижче.
Придбати крановий редуктор В-250-63 можна на нашому сайті компанії «Промпривод». Вам лише потрібно оформити замовлення онлайн або за допомогою нашого фахівця, зателефонувавши на номер вказаний на сайті.
Купуючи товар на нашому підприємстві, Ви отримуєте не тільки високу якість за ціною виробника, але й паспорт до пристрою з гарантією 12 місяців. Доставка здійснюється по всій Україні одразу після внесення оплати. Для постійних клієнтів та оптових покупців діє гнучка система знижок.
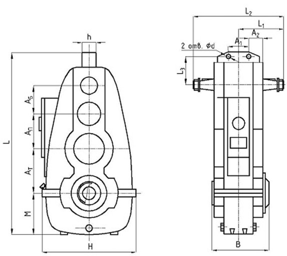
Схема габаритних і приєднувальних розмірів редуктора В-250-63

| Типорозмір редуктора | АБ | АП | АТ | А1 | А2 | В | Н | h | L | L1 | L2 | L3 | M | d |
| мм | ||||||||||||||
| В-250-63 | 160 | 200 | 250 | 120 | 79 | 322 | 552 | 80 | 1015 | 240 | 480 | 137.5 | 240 | 22 |
Технічні характеристики редуктора В-250-63
| Тип | Номінальне передавальне число | Номінальний момент, що крутить, на вихідному валу при частоті обертання вхідного валу 1000 об/хв, Нм | ККД | Маса |
| В-250 | 63 | 2750 … 10000 | 0,94 | 360 |
Варіанти складання редуктора В-250-63

Схема умовних позначень редуктора В-250-63

Редуктор В-250-63
Відгуків про цей товар ще не було.
Немає відгуків про цей товар, станьте першим, залиште свій відгук.
Немає питань про даний товар, станьте першим і задайте своє питання.