Редуктор В-250-80
Редуктор крановий В-250-80
Крановий триступінчастий редуктор В-250-80 широко використовується в конструкціях для пересування підйомних кранів. Його мета – це зміни показників числа оборотів і моменту приводу, що крутить. Працює редуктор у повторно-короткочасному режимі з безперервною роботою, не більше 30 хв.
Редуктор В-250-80 відноситься до категорії вертикальних пристроїв та виконується в чавунному корпусі. Дуже надійний, довговічний та простий у використанні.
Придбати крановий редуктор В-250-80 можна на нашому сайті компанії «Промпривод». Вам лише потрібно оформити замовлення онлайн або за допомогою нашого фахівця, зателефонувавши на номер вказаний на сайті. Купуючи товар, Ви отримуєте не тільки високу якість за ціною виробника, але й паспорт до пристрою з гарантією 12 місяців. Доставка можлива у будь-яку точку України. Вся продукція постачається після попередньої перевірки у ВТК.
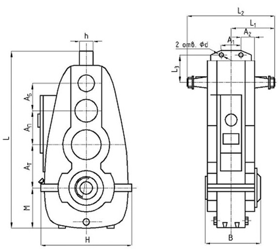
Схема габаритних і приєднувальних розмірів редуктора В-250-80

| Типорозмір редуктора | АБ | АП | АТ | А1 | А2 | В | Н | h | L | L1 | L2 | L3 | M | d |
| мм | ||||||||||||||
| В-250-80 | 160 | 200 | 250 | 120 | 79 | 322 | 552 | 80 | 1015 | 240 | 480 | 137.5 | 240 | 22 |
Технічні характеристики редуктора В-250-80
| Тип | Номінальне передавальне число | Номінальний момент, що крутить, на вихідному валу при частоті обертання вхідного валу 1000 об./хв, Нм | ККД | Маса |
| В-250 | 80 | 2750 … 10000 | 0,94 | 360 |
Варіанти складання редуктора В-250-80

Схема умовних позначень редуктора В-250-80

Редуктор В-250-80
Відгуків про цей товар ще не було.
Немає відгуків про цей товар, станьте першим, залиште свій відгук.
Немає питань про даний товар, станьте першим і задайте своє питання.