Редуктор ВК-350
Редуктор ВК-350
1. Редуктори циліндричні триступеневі або будь-які інші добре працюють як у разі нерівномірних навантажень, так і за будь-яких кількостях запусків і зупинок.
2. У цих виробах немає самогальмування, тому в будь-якого з них є можливість провернути вихідний вал.
3. Завдяки високому коефіцієнту корисної дії, циліндричні редуктори дуже мало нагріваються, унаслідок чого майже вся енергія передається споживачеві.
Переваги роботи з нами
1. Максимально швидке відвантаження — завжди в заявлений термін.
2. Досвідчені фахівці.
3. Товар чудової якості.
4. Гарантія на кожну покупку.
5. Вигідні ціни.
6. Відправимо замовлення будь-яким перевезенням, за Харковом доставимо власним транспортом.

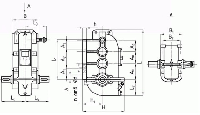
Габаритні розміри редуктора ВК-350
| awб | awпр | awт | a | B | B1 | B2 | B3 | B4 | B5 | H | Н0 | L | L1 | М | З |
| 90 | 130 | 130 | 20 | 170 | 197,5 | 180 | 220 | - | 185 | 298 | 160 | 558 | 280 | 140 | 132 |
| S | S1 | S2 | Ød | Ød1 | Ød2 | Ød3 | d4 |
|
| l3 | b1 | b2 | t1 | t2 | відлуння. |
| 50 | - | 185 | 17 | 30 | М20x1,5 | 45 | 35 | 60 | 80 | 55 | 8 | 10 | 16,5 | 38,5 | 4 |
Характеристики представленого кранового редуктора
| Типорозмір | ВК-350 | |||||
| Номінальне передавальне | 10,0 | 14,0 | 31,5 | 50,0 | ||
| Номінальний крутний момент | 10 (600) | Важкий | 398 | 423 | 501 | 478 |
| Середній | 478 | 490 | 552 | 557 | ||
| Легкий | 541 | 579 | 652 | 637 | ||
| Особливо легкий | 764 | 802 | 902 | 875 | ||
| 12,5 (750) | Важкий | 369 | 410 | 481 | 478 | |
| Середній | 433 | 499 | 562 | 573 | ||
| Легкий | 497 | 570 | 642 | 637 | ||
| Особливо легкий | 751 | 784 | 882 | 891 | ||
| 16,6 (1000) | Важкий | 325 | 401 | 481 | 478 | |
| Середній | 382 | 468 | 541 | 573 | ||
| Легкий | 449 | 535 | 632 | 621 | ||
| Особливо легкий | 716 | 762 | 872 | 860 | ||
| Найбільший короткочасно допустимий крутний момент на тихохідному валу, Тmax, Н×м | 13500 | |||||
| Маса, кг, не більш ніж | 77 | |||||
Варіанти збирання редуктора ВК-350

Редуктор ВК-350
Відгуків про цей товар ще не було.
Немає відгуків про цей товар, станьте першим, залиште свій відгук.
Немає питань про даний товар, станьте першим і задайте своє питання.