Редуктор ВК-475
Редуктор ВК-475
1. Редуктори циліндричні триступеневі або будь-які інші добре працюють як у разі нерівномірних навантажень, так і за будь-яких кількостях запусків і зупинок.
2. У цих виробах немає самогальмування, тому в будь-якого з них є можливість провернути вихідний вал.
3. Завдяки високому коефіцієнту корисної дії, циліндричні редуктори дуже мало нагріваються, унаслідок чого майже вся енергія передається споживачеві.
Переваги роботи з нами
1. Максимально швидке відвантаження — завжди в заявлений термін.
2. Досвідчені фахівці.
3. Товар чудової якості.
4. Гарантія на кожну покупку.
5. Вигідні ціни.
6. Відправимо замовлення будь-яким перевезенням, за Харковом доставимо власним транспортом.

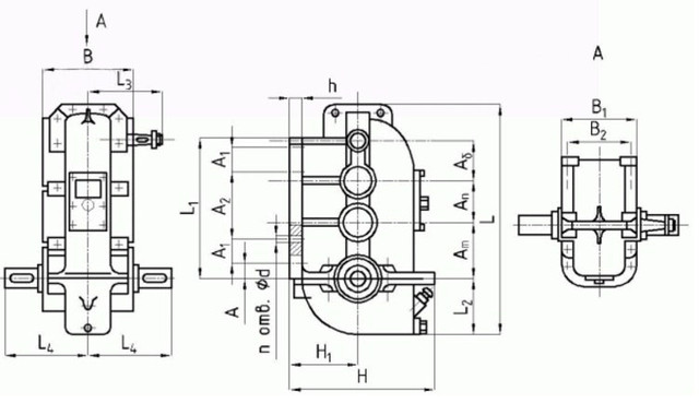
Габаритні розміри редуктора ВК-475
| Типорозмір редуктора | АБ | АП | АТ | А | А1 | А2 | В | В1 | В2 | H | Н1 | h | L | L1 | L2 | L3 | L4 | d | n | Маса |
| мм | шт | кг | ||||||||||||||||||
| ВК-475 | 105 | 160 | 210 | 50 | 80 | 200 | 255 | 250 | 215 | 458 | 220 | 25 | 790 | 482 | 200 | 242,5 | 260 | 17 | 8 | 215 |
Характеристики представленої моделі кранового триступеневого редуктора
| Номінальне передавальне співвідношення | 20 | 28 | 50 | 112 | |
| Номінальна частота обертання (об/хв) | 1000 | ||||
| Номінальний крутний момент на тихенькохідному валу, | ПВ 40% | 1300 | 1800 | 1600 | 1700 |
| ПВ 25% | 1500 | 2200 | 1850 | 2000 | |
| ПВ 15% | 1700 | 2500 | 2200 | 2300 | |
| Маса, кг, не більш ніж | 215 | ||||
Варіанти збирання редуктора ВК-475

Редуктор ВК-475
Відгуків про цей товар ще не було.
Немає відгуків про цей товар, станьте першим, залиште свій відгук.
Немає питань про даний товар, станьте першим і задайте своє питання.