Редуктор ВК-550
Редуктор ВК-550
Редуктори циліндричні триступеневі вертикальні кранові ВК-550, призначені для експлуатації у вертикальному та похилому положенні на механізмах пересування кранів і кранових візків. Редуктори циліндричні триступеневі добре працюють як у разі нерівномірних навантажень, так і за будь-яких кількостях запусків і зупинок.В редукторах ВК-550 немає самогальмування, тому в будь-якого з них є можливість провернути вихідний вал.
Переваги роботи з нами
1. Максимально швидке відвантаження — завжди в заявлений термін.
2. Досвідчені фахівці.
3. Товар чудової якості.
4. Гарантія на кожну покупку.
5. Вигідні ціни.
6. Відправимо замовлення будь-яким перевезенням, за Харковом доставимо власним транспортом.

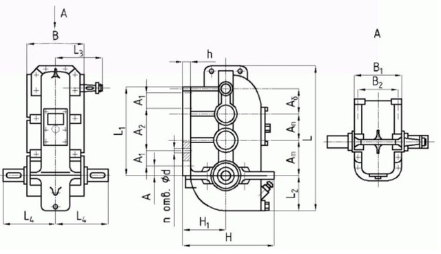
Габаритні розміри редуктора ВК-550
| awб | awпр | awт | a | B | B1 | B2 | B3 | B4 | B5 | H | Н0 | L | L1 | М | З |
| 140 | 190 | 220 | 25 | 285 | 257.5 | 280 | 280 | 195 | 245 | 488 | 235 | 880 | 557 | 340 | 215 |
| S | S1 | S2 | Ød | Ød1 | Ød2 | Ød3 | d4 |
|
| l3 | b1 | b2 | t1 | t2 | n |
| 50 | 70 | 320 | 17 | 40 | М24×2 | 50 | 80 | 82 | 110 | 10 | 22 | 21 | 85 | 8 | |
Характеристики представленої моделі кранового триступеневого редуктора
| Типорозмір | ВК-550 | |||||
| Номінальне передавальне | 18 | 31,5 | 71 | 125 | ||
| Номінальний крутний момент на тихохідному валу, Т, Н×м; за номінальної частоти обертання швидкохідного вала, з-1(об/хв) | 10 (600) | Важкий | 2200 | 2300 | 2400 | |
| Середній | 2600 | 2700 | 2800 | |||
| Легкий | 3000 | 3100 | 3200 | |||
| 12,5 | Важкий | 2200 | 2400 | |||
| Середній | 2600 | 2800 | ||||
| Легкий | 3000 | 3200 | ||||
| 16,6 (1000) | Важкий | 2150 | 2000 | 2300 | 2400 | |
| Середній | 2600 | 2400 | 2700 | 2800 | ||
| Легкий | 2900 | 2800 | 3150 | 3200 | ||
| Найбільший короткочасно допустимий крутний момент на тихохідному валу, | 10 (600) | 9250 | 10900 | 11200 | ||
| 12,5 (750) | 8500 | |||||
| 16,6 (1000) | 7500 | 10600 | ||||
| Маса, кг, не більш ніж | 279 | |||||
Варіанти складання редуктора ВК-550

Редуктор ВК-550
Відгуків про цей товар ще не було.
Немає відгуків про цей товар, станьте першим, залиште свій відгук.
Немає питань про даний товар, станьте першим і задайте своє питання.