Редукторная часть к мотор-редуктору МЦ2С-80
Голова (редукторная часть) к мотор-редуктору МЦ2С-80
Провести качественные ремонтные работы поможет покупка редукторной части цилиндрического мотор-редуктора МЦ2С-80. Это двухступенчатый соосный преобразователь с с межосевым расстоянием в 80 мм момента кручения, который путем влияния на технологические параметры уменьшает частоту вращения, приходящую с входного вала. голова мотор-редуктора МЦ2С относится к наиболее востребованному виду преобразователей, однако не рекомендуется для использования в грузоподъемной технике.
Приобретение редукторной части (головы) для мотор-редукторов типа МЦ2С может стать быстрым и комфортным процессом. Для этого вам следует обратиться за помощью в call-центр компании «ПромРедуктор», и специалисты в режиме онлайн проведут подробную консультацию по любому интересующему вопросу. Мы предоставляем продолжительную гарантию на всю приобретаемую у нас продукцию – 36 месяцев.
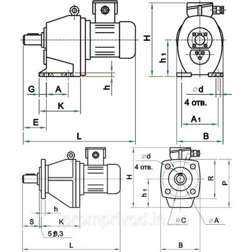
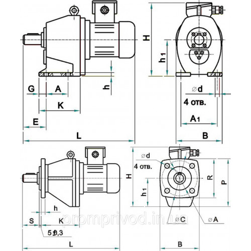
Схема габаритных и присоединительных размеров мотор-редуктора МЦ2С-80
На лапах

| Тип двигателя | L | H | B | h1 | A | A1 | E | G | D | h | K |
| 90LA8; 90LB8; 90L6; 90L4 | 590 | 305 | 225 | 170-0.5 | 115±0.7 | 180±0.7 | 75 | 22 | 15 | 18 | 175 |
| 100L6; 100L4; 100L | 635 | 317 | |||||||||
| 100S4; 100S2 | 602 |
На фланце

| Тип двигателя | L | H | B | h1 | A | С | R | P | D | h | K | S |
| 90LA8; 90LB8; 90L6; 90L4 | 590 | 305 | 250 | 170 | 180JS | 240 | 250 | 293 | 14 | 14 | 170 | 85 |
| 100L6; 100L4; 100L | 635 | 317 | ||||||||||
| 100S4; 100S2 | 602 |
|
Габаритные размеры цилиндрического и конического валов мотор редуктора МЦ2С-80

| d | d1 | l | l1 | b | b1 | t | t1 |
| 35 | М20 | 80 | 58 | 10 | 6 | 38 | 18.6 |
Варианты крепления цилиндрического мотор редуктора МЦ2С-80

Технические характеристики мотор-редуктора МЦ2С-80
| Скорость вращения выходного вала, об/мин | Момент кручения на выходном валу, Нм | Максимальная возможная нагрузка на выходной вал, Н | Масса мотор редуктора, не более, кг | Двигатель | КПД, % | ||
| Марка | Мощность, кВт | Частота вращения, об/мин | |||||
| 28 | 250 | 4000 | 36 | AИP90LA8P3 | 0,75 | 750 | 72 |
| 368 | 4800 | 40 | AИP90LB8P3 | 1,1 | 750 | 74 | |
| 31,5 | 220 | 3700 | 36 | AИP90LA8P3 | 0,75 | 750 | 72 |
| 325 | 4500 | 40 | AИP90LB8P3 | - | 750 | 74 | |
| 35,5 | 292 | 4300 | 40 | AИP90LB8P3 | 1,1 | 750 | 74 |
| 368 | 4800 | 37 | AИP90L6P3 | 1,5 | 1000 | 73 | |
| 40 | 252 | 4000 | 40 | АИР90LВ8РЗ | 1,1 | 750 | 74 |
| 345 | 4600 | 37 | AИP90L6H3 | 1,5 | 1000 | 73 | |
| 45 | 230 | 3800 | 40 | АИР90LВ8РЗ | 1,1 | 750 | 74 |
| 304 | 4400 | 37 | AИP90L6P3 | 1,5 | 100 | 73 | |
| 50 | 210 | 3600 | 40 | АИР90LВ8РЗ | 1,1 | 750 | 74 |
| 280 | 4200 | 37 | AИP90L6BP3 | 1,5 | 1000 | 73 | |
| 408 | 5000 | 46 | AИP100L6P3 | 2,2 | 1000 | 78 | |
| 56 | 242 | 3900 | 37 | AHP90L6P3 | 1,5 | 1000 | 73 |
| 366 | 4800 | 36 | AИP90L4P3 | 2,2 | 1500 | 78 | |
| 366 | 4800 | 46 | AИP100L6P3 | 2,2 | 1000 | 78 | |
| 63 | 210 | 3600 | 37 | AИP90L6P3 | 1,5 | 1000 | 73 |
| 308 | 4400 | 46 | АИР100L6РЗ | 2,2 | 1000 | 78 | |
| 71 | 190 | 3400 | 37 | АИР90L6РЗ | 1,5 | 1000 | 73 |
| 303 | 4300 | 36 | AИP90L4P3 | 2,2 | 1500 | 78 | |
| 303 | 4300 | 46 | АИР100L6РЗ | 2,2 | 1000 | 78 | |
| 393 | 5000 | 41 | AИP100S4P3 | 3 | 1500 | 79 | |
| 80 | 250 | 4000 | 36 | AИP90L4P3 | 2,2 | 1500 | 78 |
| 250 | 4000 | 46 | АИР100L6РЗ | 2,2 | 1000 | 78 | |
| 340 | 4600 | 41 | AИP100S4P3 | 3 | 1500 | 79 | |
| 90 | 228 | 3800 | 36 | AИP90L4P3 | 2,2 | 1500 | 78 |
| 228 | 3800 | 46 | АИР100L6РЗ | 2,2 | 1000 | 78 | |
| 310 | 4200 | 41 | AИP100S4P3 | 3 | 1500 | 79 | |
| 100 | 210 | 3600 | 36 | AИP90L4P3 | 2,2 | 1000 | 78 |
| 210 | 3600 | 46 | АИР100L6РЗ | 2,2 | 1500 | 78 | |
| 280 | 4200 | 41 | AИP100S4P3 | 3 | 1500 | 79 | |
| 112 | 185 | 3400 | 36 | AИP90L4P3 | 2,2 | 1500 | 78 |
| 250 | 4000 | 41 | AИP100S4P3 | 3 | 1500 | 79 | |
| 332 | 4600 | 47 | AИP100L4P3 | 4 | 1500 | 82 | |
| 140 | 256 | 4000 | 47 | АИР100L4РЗ | 4 | 1500 | 82 |
| 302 | 4800 | 51 | АИР100L2РЗ | 5,5 | 3000 | 85 | |
| 160 | 225 | 3800 | 43 | AИP100S2P3 | 4 | 3000 | 84 |
| 310 | 4400 | 51 | AИP100L2P3 | 5,5 | 3000 | 85 | |
Редукторная часть к мотор-редуктору МЦ2С-80
Відгуків про цей товар ще не було.
Немає відгуків про цей товар, станьте першим, залиште свій відгук.
Немає питань про даний товар, станьте першим і задайте своє питання.